EasyManua.ls Logo

Record Power PT260 - Mechanical Troubleshooting - Planer;Jointer

Record Power PT260
41 pages
Print Icon
To Next Page IconTo Next Page
To Next Page IconTo Next Page
To Previous Page IconTo Previous Page
To Previous Page IconTo Previous Page
Loading...
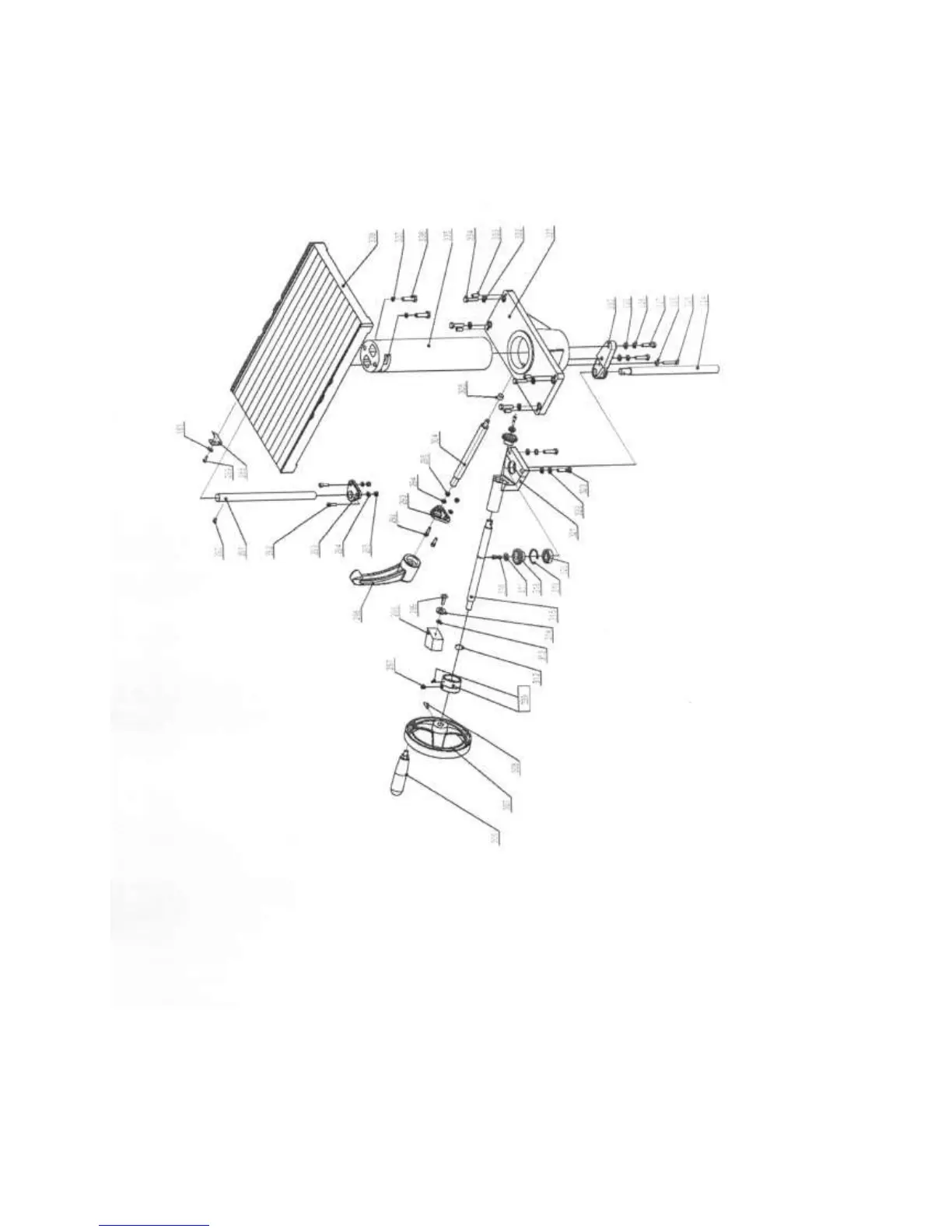
PT-260 Thickness Table Assembly

Other manuals for Record Power PT260

Related product manuals