EasyManua.ls Logo

Regency L390E - Proflame Remote System Installation

Regency L390E
56 pages
Print Icon
To Next Page IconTo Next Page
To Next Page IconTo Next Page
To Previous Page IconTo Previous Page
To Previous Page IconTo Previous Page
Loading...
20
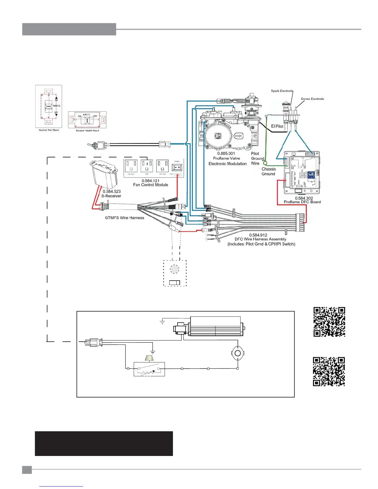
L390E-2 / HZI390E-2 Direct Vent Gas Insert
INSTALLATION
GTMF REMOTE SYSTEM - IMPORTANT: The 120V fan control module serves as the power source for this unit. The AA batteries in the
receiver only serve as a backup in case 120 volt power lost within the home.
PROFLAME REMOTE SYSTEM GTMF WITH FAN (L390EB / HZI390EB)
CAUTION: Label all wires prior to disconnection
when servicing controls. Wiring errors can cause
improper and dangerous operation.
Ground
Green
Neutral
Live
Black
Red
Fan Thermodisc
(normally open)
Ground
ON OFF
Fan Speed
Controller
120V AC
60 Hz
Fan
Black
Black
Red
Black
Proflame System
Configuration
886 GTMF
Wire Diagram
SureFire™ Switch
0.584.907
880
Caution: Ensure that the wires do not touch any
hot surfaces and are away from sharp edges.
Thermostat
(Optional)
See optional wall thermostat
installation in this manual.
Pro ame Remote
Operation
Pro ame Remote
Battery Change

Table of Contents

Other manuals for Regency L390E

Related product manuals