EasyManua.ls Logo

Regency P36-NG4 - Wiring Diagrams

Regency P36-NG4
64 pages
Print Icon
To Next Page IconTo Next Page
To Next Page IconTo Next Page
To Previous Page IconTo Previous Page
To Previous Page IconTo Previous Page
Loading...
45
FPI P36-4 Zero Clearance Direct Vent Gas Fireplace
INSTALLATION
WIRING DIAGRAMS
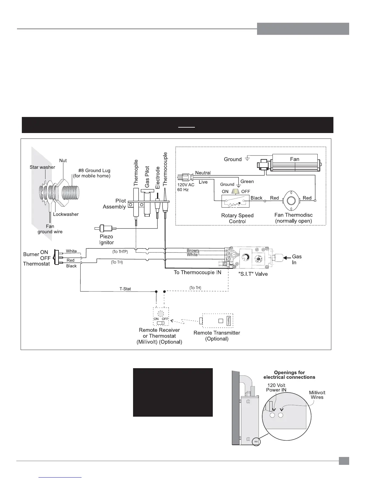
CAUTION: Label all wires
prior to disconnection
when servicing controls.
Wiring errors can cause
improper and dangerous
operation.
This heater does not require a 120V A.C. sup-
ply for operation. In case of a power failure, the
burner switch and the optional remote control/
thermostat will continue to operate. However,
a 120V A.C. power supply is needed for the
fan/blower operation.
(Do not cut the ground terminal off under
any circumstances.)
NOTE: Even if the fan is not purchased
with the unit, it is still a good idea to
bring power to the receptacle box
(provided with the unit) in case the
fan is installed at a later date.
Caution: Ensure that the wires do
not touch any hot surfaces and are
away from sharp edges.
For NATURAL GAS Units and Units NOT Equipped with DC Spark Boxes

Table of Contents

Related product manuals