EasyManua.ls Logo

Regency P36-NG4 - Alternate Wiring Diagram for Wall Switch

Regency P36-NG4
64 pages
Print Icon
To Next Page IconTo Next Page
To Next Page IconTo Next Page
To Previous Page IconTo Previous Page
To Previous Page IconTo Previous Page
Loading...
46
FPI P36-4 Zero Clearance Direct Vent Gas Fireplace
INSTALLATION
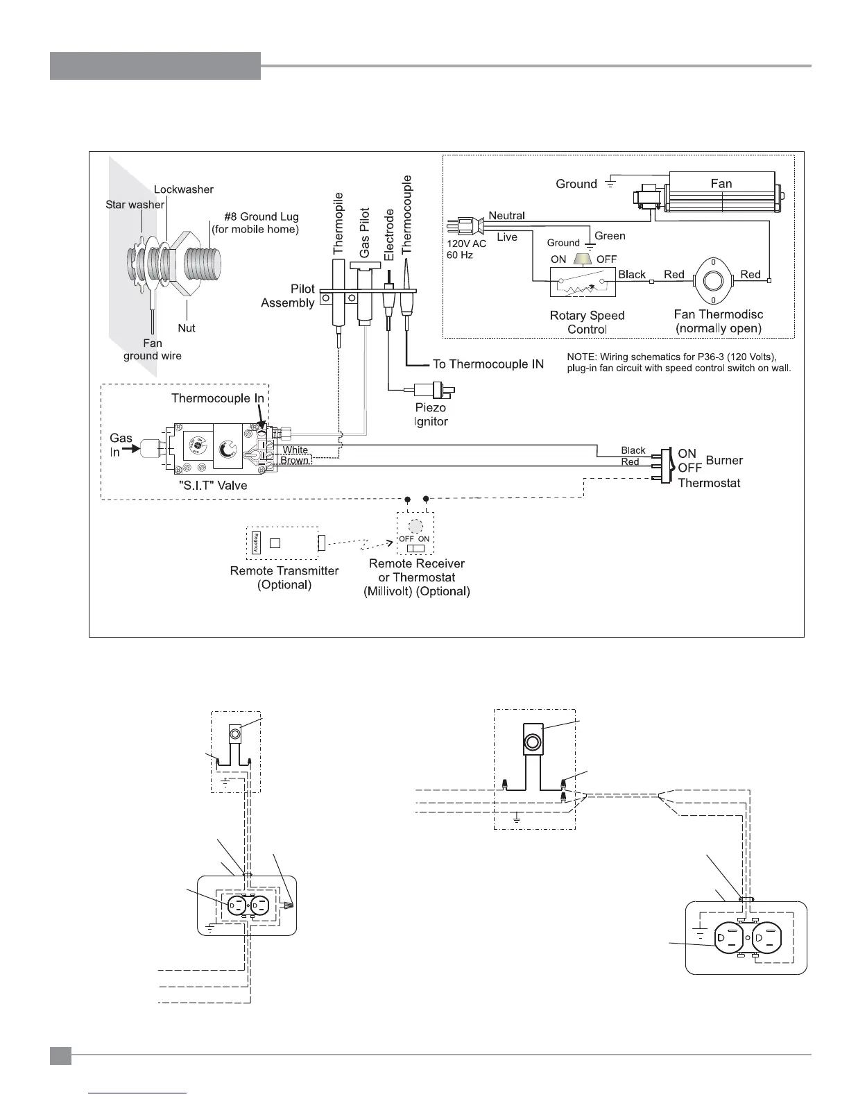
P 36 Electrical C onnection A lternative Schem e "A ",
Pow er at Stove
Wall Junction Box
*Speed C ontrol
Switch with
lead wires
(R egency)
Wire Nuts
Wire Nuts
14 AW G wire
14 AW G wire
*W ire Clam p
*R eceptacle Box
inside stove
*R eceptacle
(dedicated use
by stove fan only)
120 Volts
60 Hz
C opper Ground
White (N eutral)
Black (Hot)
~
P 36 Electrical C onnection A lternative Schem e "B ",
Pow er at Sw itch
Wall Junction Box
*Speed C ontrol
Switch with lead wires
Wire Nuts
14 AW G w ire
*W ire Clam p
120 Volts
60 Hz
C opper Ground
White (N eutral)
Black (Hot)
Wire
Black
White
Ground
*R eceptacle Box
inside stove
~
*R eceptacle
(dedicated use
by stove fan only)
* = supplied with fan kit
Other parts are to be supplied
by electrician or installer
ALTERNATE WIRING DIAGRAM FOR WALL SWITCH

Table of Contents

Related product manuals