EasyManua.ls Logo

Regency P36-NG4 - Page 47

Regency P36-NG4
64 pages
Print Icon
To Next Page IconTo Next Page
To Next Page IconTo Next Page
To Previous Page IconTo Previous Page
To Previous Page IconTo Previous Page
Loading...
47
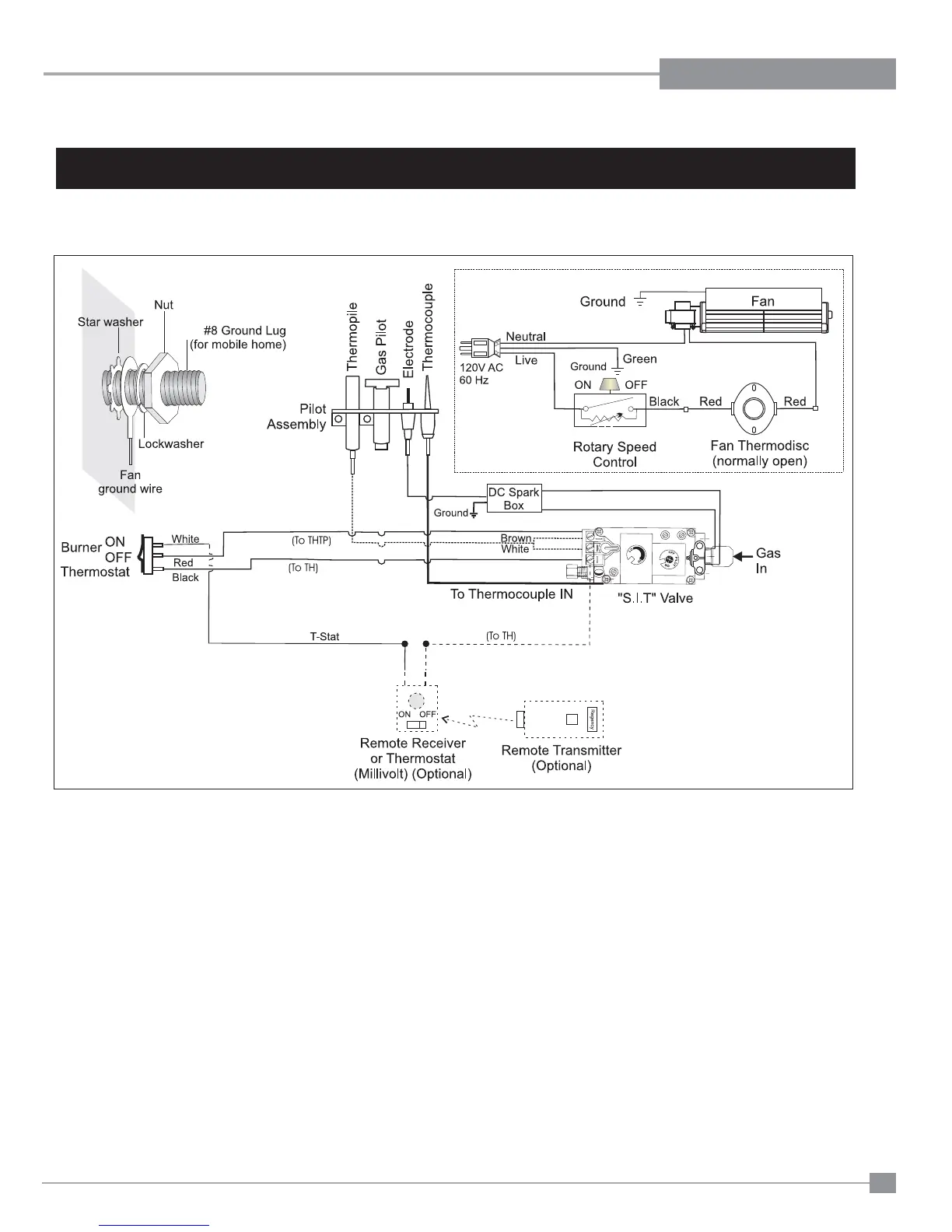
FPI P36-4 Zero Clearance Direct Vent Gas Fireplace
INSTALLATION
For PROPANE Units and Units Equipped with DC Spark Boxes*
*For installation of the DC Spark Box refer to the LP Conversion instructions in this manual.

Table of Contents

Related product manuals