EasyManua.ls Logo

REGLOPLAS 90smart - Block Diagrams; 150 smart Block Diagram

REGLOPLAS 90smart
41 pages
Print Icon
To Next Page IconTo Next Page
To Next Page IconTo Next Page
To Previous Page IconTo Previous Page
To Previous Page IconTo Previous Page
Loading...
V 11/2014
26 Maintenance Temperature Control Unit 90smart/150smart
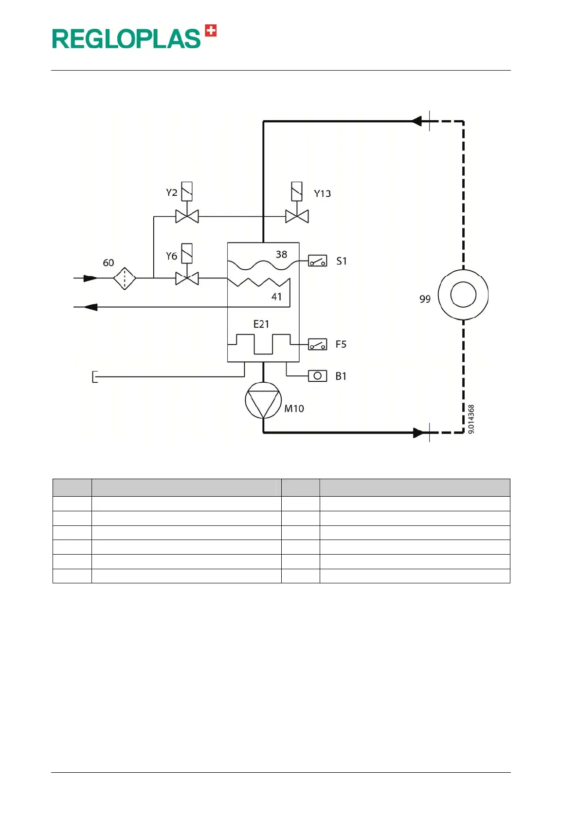
Block diagram 150smart
Block diagram 150smart
Item Designation Item Designation
38 Vessel, reservoir, tank F5 Safety thermostat
41 Cooler M10 Pump
60 Filter - cooling circuit S1 Level control
99 Consumer Y2 Solenoid valve - auto. water refill
B1 Temperature probe - internal Y6 Solenoid valve - cooling
E21 Heating Y13 Solenoid valve - suction (optional)

Table of Contents

Related product manuals