EasyManua.ls Logo

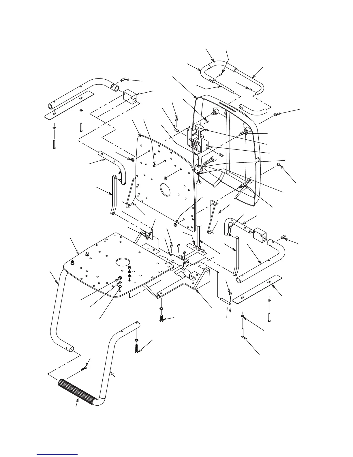
Reliance 3000 - Chair Top Assembly Details; Figure 7: Chair Top Exploded View

Reliance 3000
28 pages
Print Icon
To Next Page IconTo Next Page
To Next Page IconTo Next Page
To Previous Page IconTo Previous Page
To Previous Page IconTo Previous Page
Loading...
IN-300016
FIGURE 7
3000 CHAIR TOP ASSEMBLY
1
2
3
4
15
10
7
9
8
11
12
39
41
43
40
38
13
11
14
16
17
22
18
19
22
31
28
28
23
35
32
30
33
20
23
25
22
36
45
27
26
27
47
48
42
29
44
22
21
34
34
37
6
46
5
24