EasyManua.ls Logo

Renault 852 - Refitting the Top Engine

Renault 852
119 pages
Print Icon
To Next Page IconTo Next Page
To Next Page IconTo Next Page
To Previous Page IconTo Previous Page
To Previous Page IconTo Previous Page
Loading...
ENGINE AND PERIPHERALS
Overhauling the engine
10
10-98
REFITTING THE TOP ENGINE
Position the pistons in mid-stroke and remove tool
Mot. 521-01.
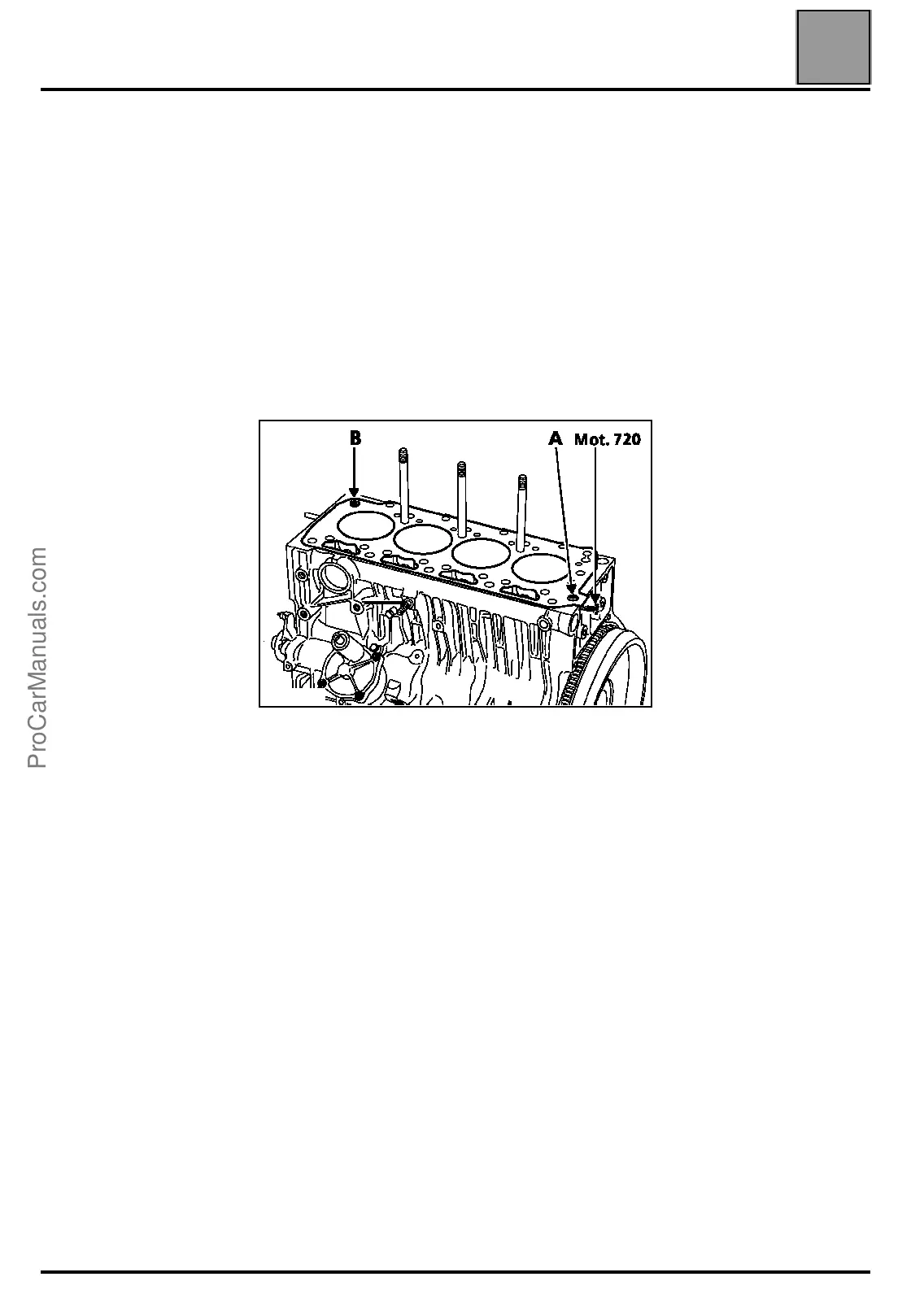
Positioning the cylinder head gasket
It is necessary to use tool Mot. 720 placed in the hole
(A) on the cylinder block. Check for the presence of
the centring pin (B).
Fit the cylinder head gasket.
Refit the cylinder head and centre it on the studs.
Lubricate the threads on the mounting bolts and the
washers under the heads with engine oil.
All the cylinder head bolts must always be
changed after removal (including the studs).
Lubricate the threads and under the bolt heads
with engine oil.
Tightening procedure for cylinder head
REMINDER: Use a syringe to remove any oil which
may have entered the cylinder head mounting bolt
holes to achieve correct tightening of the bolts.
Consult the Technical specifications section for
information on the cylinder head tightening procedure.
16556R
ProCarManuals.com

Related product manuals