EasyManua.ls Logo

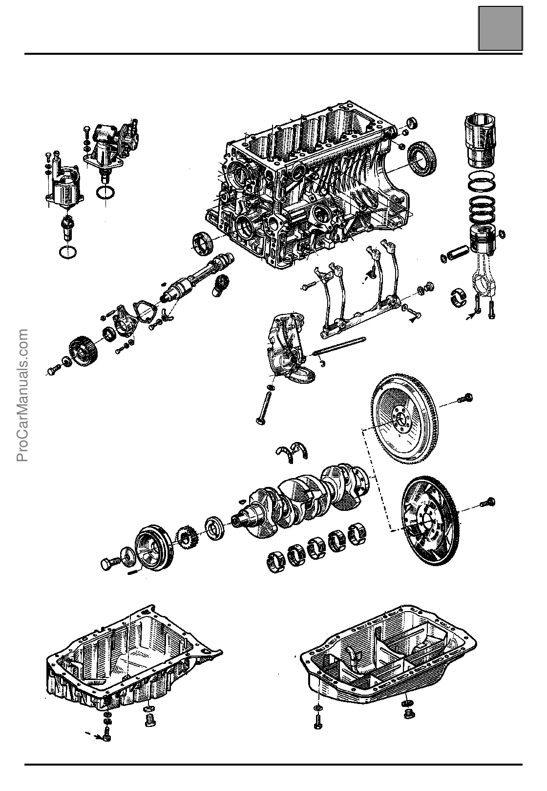
Renault 852 - Cylinder Block Exploded Drawing

Renault 852
119 pages
Print Icon
To Next Page IconTo Next Page
To Next Page IconTo Next Page
To Previous Page IconTo Previous Page
To Previous Page IconTo Previous Page
Loading...
ENGINE AND PERIPHERALS
Overhauling the engine
10
10-65
CYLINDER BLOCK EXPLODED DRAWING
ProCarManuals.com

Related product manuals