EasyManua.ls Logo

RHOSS UTNC-EV - Page 35

RHOSS UTNC-EV
37 pages
Print Icon
To Next Page IconTo Next Page
To Next Page IconTo Next Page
To Previous Page IconTo Previous Page
To Previous Page IconTo Previous Page
Loading...
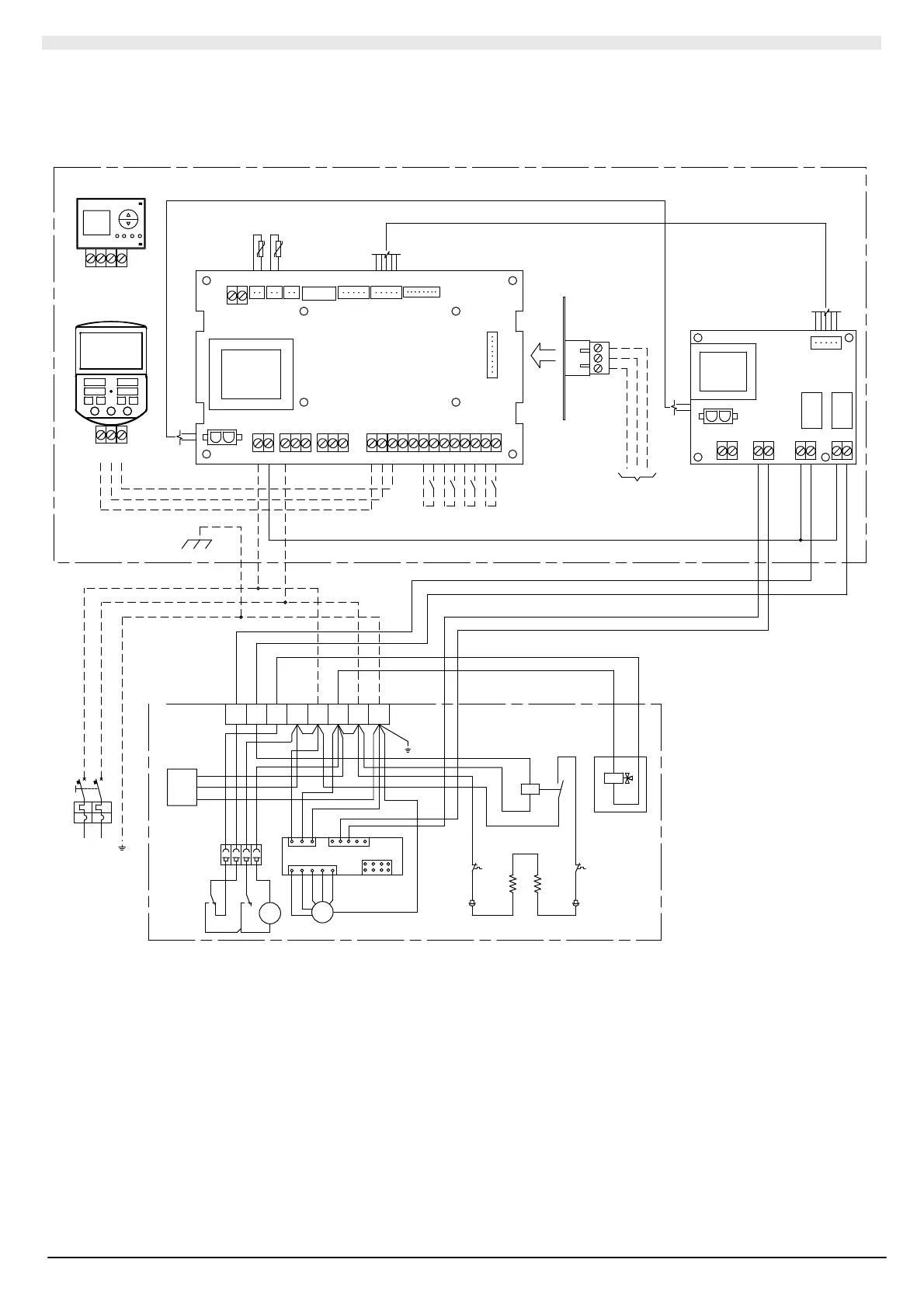
ALLEG ATI / ENCOLSED DOCUMENTS / ANNE XES / ANLAGEN / ANEXOS
105
UTNC-I REL 26÷111
KR
3
4
2
1
1
2
1
2
B
C
A
B
R
C
ST1S
REL
ST2S
REL
32
4
1
TB
A
O
B
G
1CM
1CF
1
3
5
PS
C
1
3
5
1LIV2LIV
GO BA
C
FS FS
M
R
C
B
WW
A
AB
B
Y/G
Y/G
FILTER
L
N
PE
Y/G
PENL
X2M2
X3
M1
RS232
KV2/KV3
230V-1ph-50Hz
L N
IG
SIC ECOEIRSCR
CMSI
ST2ST1
KRS485
KISI
KFTT10
MVRI
KCMVI
KUSB
KRS232
V
8VGN TX
546
KPCM
8VGN TX
231
KICM
UTNC-I
Y4YX LLNNPEY2
WVUTPTP
A+
A-
MED
No2
J1
MAX
COM
SUPPLY
EXP
LL
M2 M3
No3
NNN
B2DI5 B1 B3
DIP
DI2
MIN
V+GN TX
No1
M1
DI1
GN TX
DI4DI3
S
E
R
I
A
L
J2
EXPFLAP IR
EXP
GN GNNo4 No5 No6 No7
SUPPLY EXP