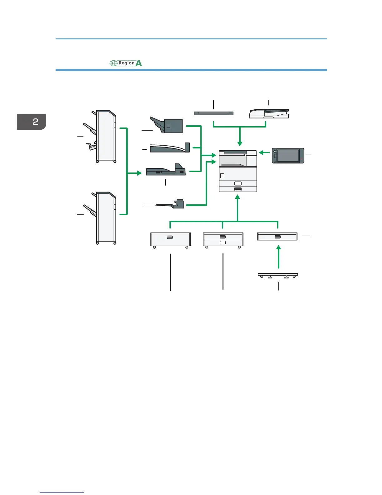
1. Exposure glass cover
Lower this cover over originals.
2.
ADF
Load a stack of originals here. They will feed in automatically.
3. Smart Operation Panel
This control panel is provided with advanced operativity.
4. Lower paper tray
Holds up to 550 sheets of paper.
5. Caster table for lower paper tray
To use the lower paper tray, attach the caster table.
6. Lower paper trays
Consists of two paper trays. Holds up to 1,100 sheets of paper. Each paper tray holds 550 sheets.
2. Getting Started
34