EasyManua.ls Logo

RIDGID JP0600 - Repair Parts

RIDGID JP0600
44 pages
Print Icon
To Next Page IconTo Next Page
To Next Page IconTo Next Page
To Previous Page IconTo Previous Page
To Previous Page IconTo Previous Page
Loading...
36
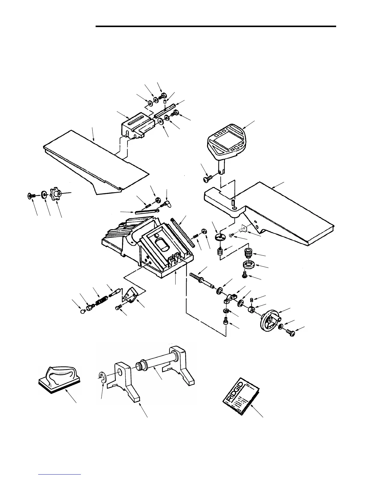
Repair Parts
Parts List for RIDGID 6-1/8" Jointer/Planer
Model No. JP06000
RIDGID parts are available on-line at www.ridgidparts.com
Figure 1
1
2
3
10
5
6
7
8
17
11
12
13
14
15
16
20
9
4
18
19
21
22
23
13
10
11
9
24
25
26
27
28
29
30
31
32
33
35
34
33
20
32
20
40
36
37
38
39
41
18
19
43
42

Table of Contents

Related product manuals