EasyManua.ls Logo

Riello 20034365 - Page 65

Riello 20034365
72 pages
Print Icon
To Next Page IconTo Next Page
To Next Page IconTo Next Page
To Previous Page IconTo Previous Page
To Previous Page IconTo Previous Page
Loading...
29
20035512
E
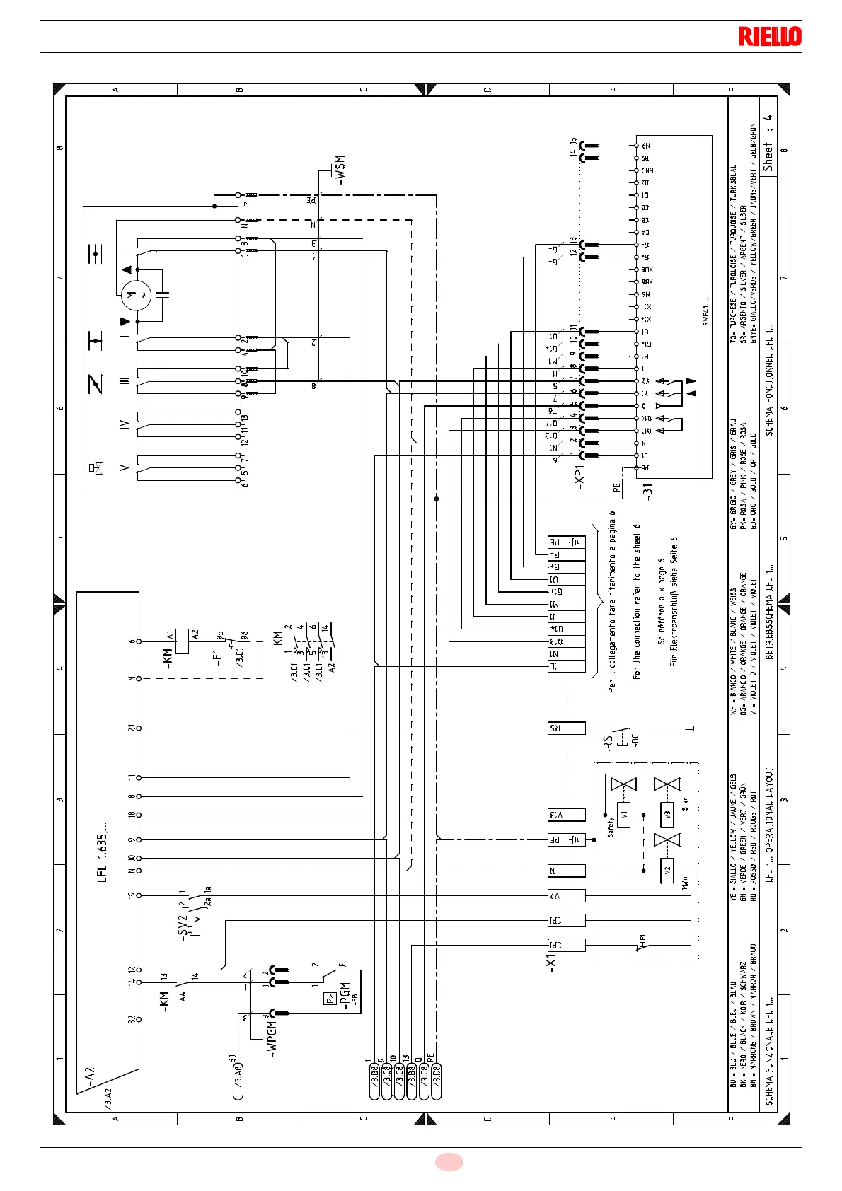
Apéndice - Esquema cuadro eléctrico
A

Table of Contents

Related product manuals