EasyManua.ls Logo

Riello 40 FS20 - Installation Electrique

Riello 40 FS20
Print Icon
To Next Page IconTo Next Page
To Next Page IconTo Next Page
To Previous Page IconTo Previous Page
To Previous Page IconTo Previous Page
Loading...
2056
5
F
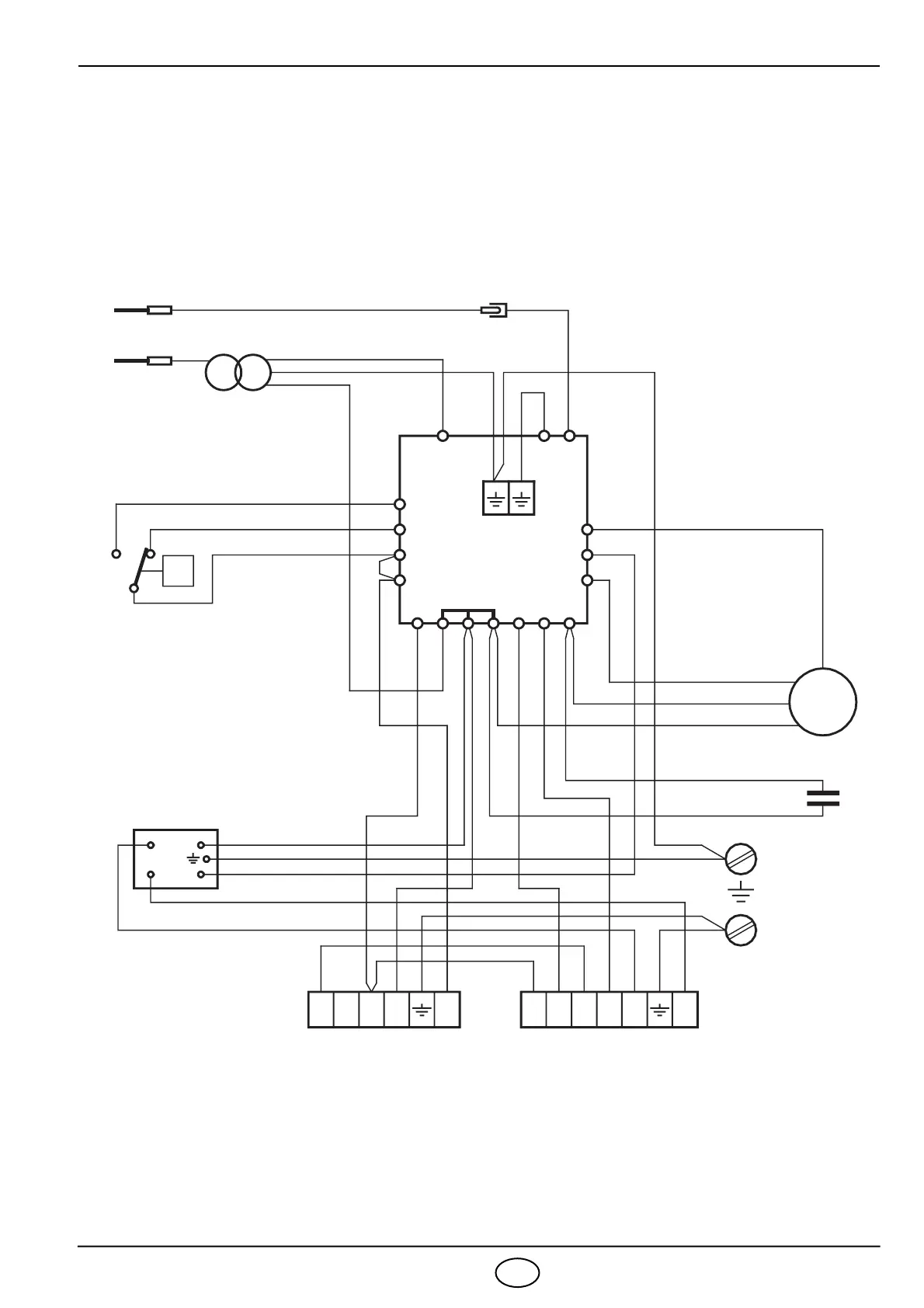
INSTALLATION ELECTRIQUE
(exécutée en usine)
Moteur
Condensateur
Terre brûleur
Connecteur
Sonde
321N Ph S3B4 T2 T1
12 5 9
15
B
7
2
8
BOITE DE CONTROLE
508SE
12
34
P
M
~
1
2
P
D5164
Pressostat air
Transf. d’allumage
3
4
1
A
1716
NL1
Prise 6 pôles Prise 7 pôles
Bleu
Blanc
Marron
Noir
Antiparasite
13
610

Other manuals for Riello 40 FS20

Related product manuals