EasyManua.ls Logo

Riello RS 55/E BLU - Burner Description

Riello RS 55/E BLU
72 pages
Print Icon
To Next Page IconTo Next Page
To Next Page IconTo Next Page
To Previous Page IconTo Previous Page
To Previous Page IconTo Previous Page
Loading...
13
20068446
GB
Technical description of the burner
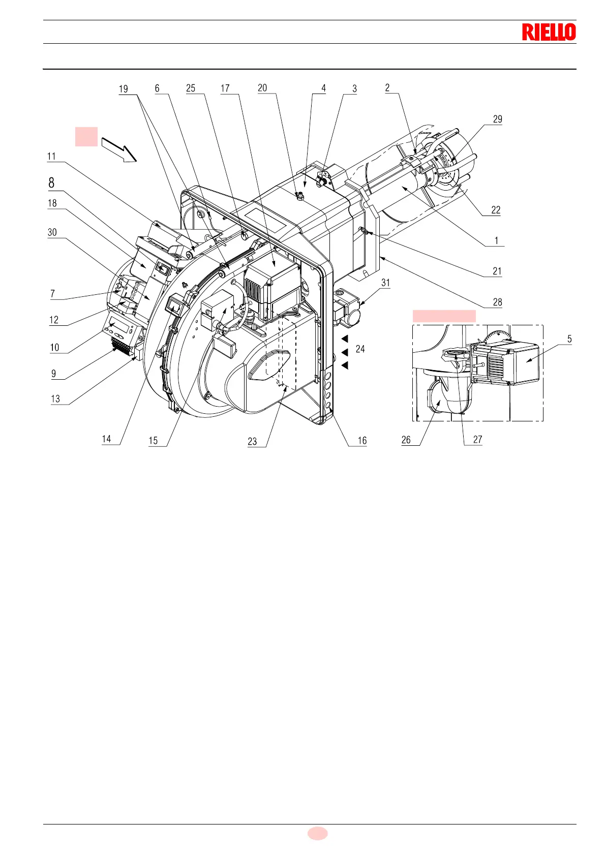
4.10 Burner description
1 Combustion head
2 Ignition electrode
3 Screw for combustion head adjustment
4 Pipe coupling
5 Gas servomotor
6 Plug-socket on ionisation probe cable
7 Motor relay
8 Operation on/off switch
9 Terminal board for electrical wiring
10 Operator panel with LCD display
11 Control box for checking flame and air/fuel ratio
12 Clean contact relay
13 Filter to protect against radio disturbance
14 Flame inspection window
15 Ignition transformer
16 Cable grommets for electrical wiring (to be carried out by the
installer)
17 Air servomotor
18 Air pressure switch (differential operating type)
19 Slide bars for opening the burner and inspecting the com-
bustion head
20 Gas pressure test point and head fixing screw
21 Air pressure socket
22 Flame sensor probe
23 Air damper
24 Fan air inlet
25 Screw securing fan to pipe coupling
26 Gas input pipe
27 Gas regulator
28 Boiler fixing flange
29 Flame stability disc
30 Bracket for application of output power regulator RWF
31 Minimum gas pressure switch
Fig. 5
D11480
View from A
A

Table of Contents

Related product manuals