EasyManua.ls Logo

Riello RS 55/E BLU - Page 66

Riello RS 55/E BLU
72 pages
Print Icon
To Next Page IconTo Next Page
To Next Page IconTo Next Page
To Previous Page IconTo Previous Page
To Previous Page IconTo Previous Page
Loading...
20068446
64
GB
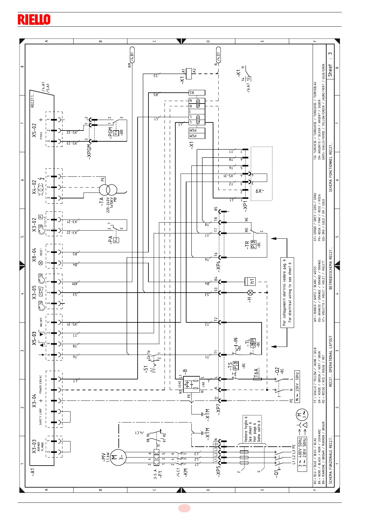
Appendix - Electrical panel layout







  


   
 















!
"
"





#
$
%
#
$
%
#%&'(% %#))) %#)))(% (*(& % %#% %#))) #%(#(% %#)))
+,-


.)#
!
!
!
!
.)#




   %
/
/
01234563
7
361894
676


%#))))

.)
.)
 


)
:#
:#
%
:#
:#
/
 

%

9
9




1;35549<=6516;6>01894)
315;16;95?616=4377









:#
#
( #




@







A
%







:
"

"






.)




.)
.)$
&B&.&%.%&.&
B% (.#.( .#- '
*%B"(.*%(-.C&%."%
"B% $%." %%.% ." D
$B ((. %$. (&"%. (
-B#(.-%.#.-%
("B #(.( "%.( "%.( "%
B(%(.(%.(%.(%
"*B" "(." %*." ." &
B (.. (%. (
"$B( (."($.( ."($
B& #%%.& &(%.& &(%.& &
 B "%(.% . "%.%
"*%B"(.% $%.*%(-." %%.C&%.% ."%." &B (%. (-. (. &
& %
"%
%%
(-% #%*((
(.(
)
%
($


Table of Contents

Related product manuals