EasyManua.ls Logo

Rinnai R63LSe - Flushing the Heat Exchanger

Rinnai R63LSe
40 pages
Print Icon
To Next Page IconTo Next Page
To Next Page IconTo Next Page
To Previous Page IconTo Previous Page
To Previous Page IconTo Previous Page
Loading...
16 VA Series Outdoor LS Manual
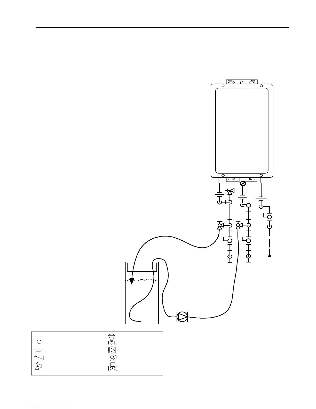
Flushing the Heat Exchange (Error Code: LC or 00)
An “LC” or “00” error code indicates the unit is beginning to lime up and must be flushed. Failure to flush the
appliance will cause damage to the heat exchanger. Damage caused by lime buildup is not covered by the unit’s
warranty. After flushing, reset the LC fault code by turning off the power to the unit and turning the power back
on.
Rinnai
Water Heater
Pressure Relief Valve
3/4" Ball Valve
3/4" Union
Check Valve
S
Pressure Regulator
Circulating Pump
Solenoid Valve
Boiler Drain Valve
KEY
G
a
s
S
u
p
p
l
y
V1
V3
V2
V4
H1
H2
H3
Circulating Pump
5gallonpailof virgin,food
grade, white vinegar (or virgin,
food grade, citric acid).
C
o
l
d
W
a
t
e
r
L
i
n
e
H
o
t
W
a
t
e
r
L
i
n
e
n
-
l
i
n
e
F
i
l
t
e
r
I
1. Disconnect electrical power to the water heater.
2. Close the shutoff valves on both the hot water and cold
water lines (V3 and V4).
3. Connect pump outlet hose (H1) to the cold water line at
service valve (V2).
4. Connect drain hose (H3) to service valve (V1).
5. Pour approximately 4 gallons of virgin, food grade, white
vinegar or citric acid into pail.
6. Place the drain hose (H3) and the hose (H2) to the pump
inlet into the cleaning solution.
7. Open both service valves (V1 and V2) on the hot water and
cold water lines.
8. Operate the pump and allow the cleaning solution to
circulate through the water heater for at least 45 minutes.
9. Turn off the pump.
10. Rinse the cleaning solution from the water heater as follows:
a. remove the free end of the drain hose (H3) from the pail
b. close service valve, (V2), and open shutoff valve, (V4). Do
not open shutoff valve, (V3).
c. allow water to flow through the water heater for 5 minutes
d. close service valve, (V1), and open shutoff valve, (V3).
11. Disconnect all hoses.
12. Remove the in-line filter at the cold water inlet and clean out
any residue. Place filter back into unit.
13. Restore electrical power to the water heater.

Table of Contents

Other manuals for Rinnai R63LSe

Related product manuals