EasyManua.ls Logo

Rinnai RUR98i - Diagramme en Escalier

Rinnai RUR98i
160 pages
Print Icon
To Next Page IconTo Next Page
To Next Page IconTo Next Page
To Previous Page IconTo Previous Page
To Previous Page IconTo Previous Page
Loading...
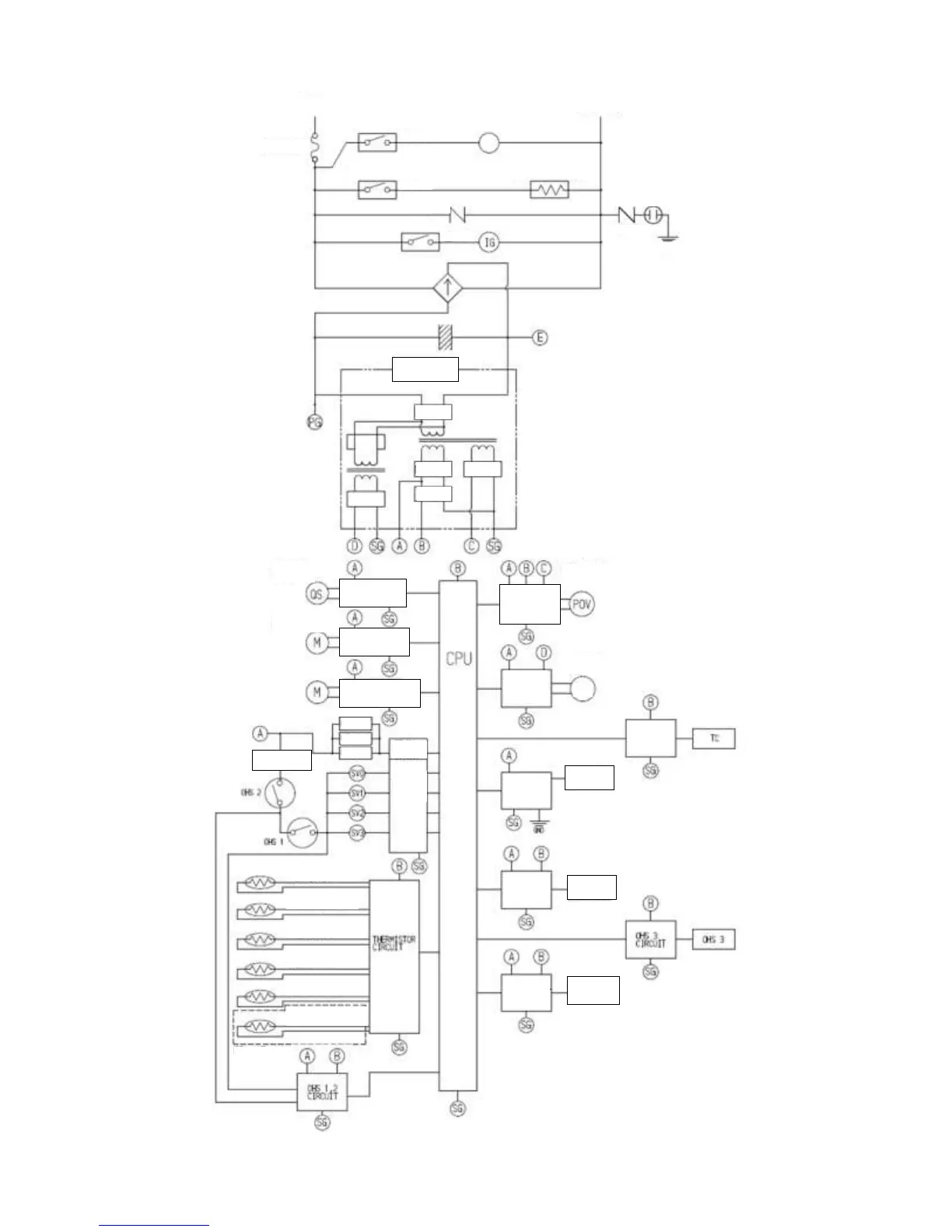
134 Manuel de Série KBP

FUSIBLE 10 A
CHAUFFAGE ANTIGEL
DÉCHARGEUR DE FOUDRE
VENTILATEUR DE
COMBUSTION
CIRCUIT DU DISPOSITIF
DE COMMANDE DE
DÉRIVATION DE FLUX
UNITÉ
CENTRALE
DE
TRAITEMENT
DISPOSITIF DE COM-
MANDE DE DÉRIVATION
0-50 V CC
12,6 V CC
170 V CC
40 V CC
5 V CC
VENT.
CIRCUIT DE
CONTRÔLE
DE VENTI-
LATEUR
CAPTEUR DE
FLUX D’EAU
INTERRUPTEUR
DÉTECTEUR DE GEL
RELAIS 2
ALLUMAGE
VARISTANCE
RELAIS 1
POMPE
RELAIS 3
PHASE
NEUTRE
VARISTANCE
TERRE
ALIENTATION À
DÉCOUPAGE
DISPOSITIF DE
CONTRÔLE DE FLUX
D’EAU
CIRCUIT DE
CAPTEUR DE FLUX
D’EAU
CIRCUIT DE DISPOSI-
TIF DE CONTRÔLE DE
FLUX D’EAU
ÉLECTROVANNE À
MODULATION
RELAIS 3
RELAIS 2
RELAIS 2
RELAIS 1
CIRCUITDE
COMMANDE
D’ÉLECTROVANNE
À MODULATION
FUSIBLE
THERMIQUE
CIRCIT DE
COMMANDE
DE RELAIS
CIRCUIT DE
COMMANDE
DE
SOLÉNOÏDE
THERMISTANCE DE
SORTIE D’EAU 1
THERMISTANCE DE
SORTIE D’EAU 1
THERMISTANCE D’É-
CHANGEUR THERMIQUE
THERMISTANCE
D’ENTRÉE
THERMISTANCE DE GEL 1
THERMISTANCE DE GEL 2
MODÈLE FF
SEULEMENT
CIRCUIT DE
DÉTECTION DE
NIVEAU D’EAU
ÉLECTRODE DE
NIVEAU D’EAU
CIRCUIT DE
CONTRÔLEUR
À DISTANCE
CIRCUIT DE
CONTRÔLEUR
À DISTANCE
CONTRÔLEUR
À DISTANCE
CIRCUIT DE
DÉTECTION DE
FLAMME
ÉLECTRODE
DE FLAMME
CIRCUIT TC

Table of Contents

Other manuals for Rinnai RUR98i

Related product manuals