EasyManua.ls Logo

Robland E2800 - Page 55

Robland E2800
65 pages
Print Icon
To Next Page IconTo Next Page
To Next Page IconTo Next Page
To Previous Page IconTo Previous Page
To Previous Page IconTo Previous Page
Loading...
Nederlands Français
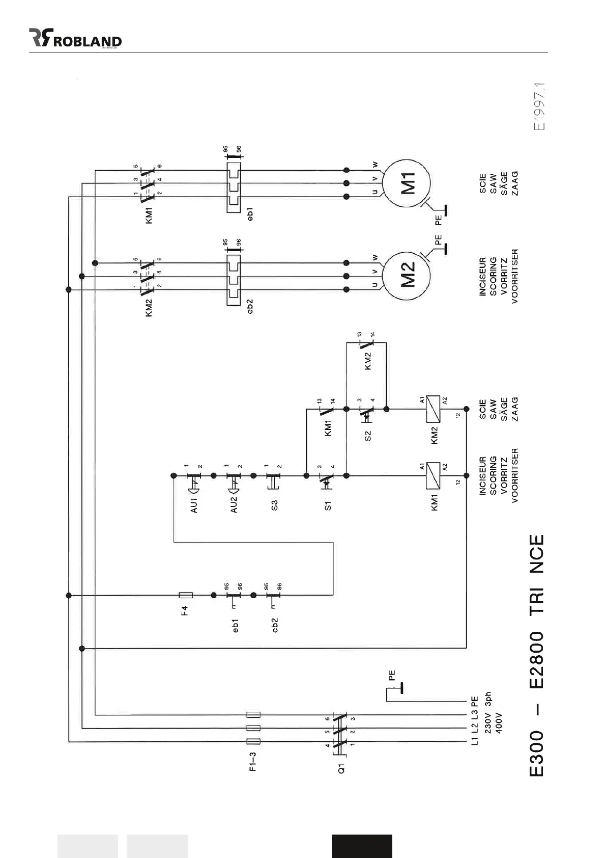
54 V0913 E 300 / E 2800
English Deutsch

Table of Contents

Related product manuals