EasyManua.ls Logo

Robland PS 3200 - Page 50

Default Icon
53 pages
Print Icon
To Next Page IconTo Next Page
To Next Page IconTo Next Page
To Previous Page IconTo Previous Page
To Previous Page IconTo Previous Page
Loading...
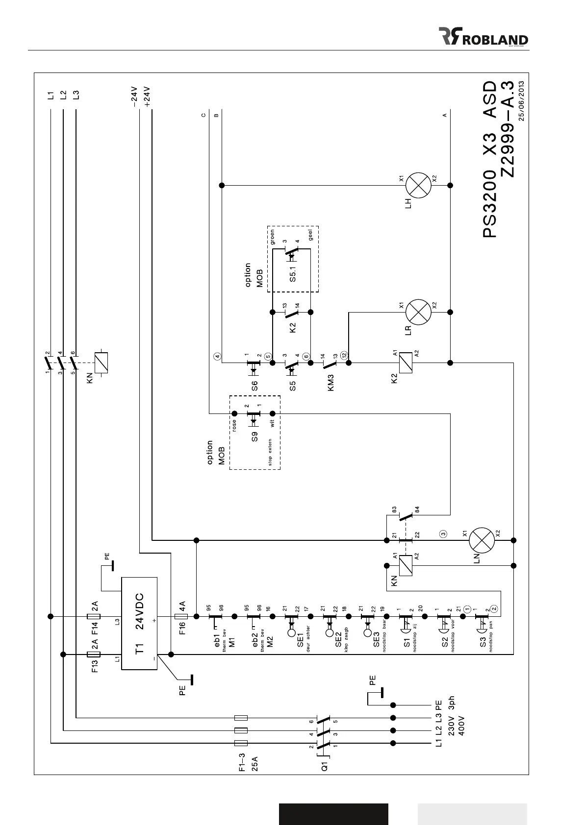
Silverline - PS 3200 V0713 49
English

Related product manuals