EasyManua.ls Logo

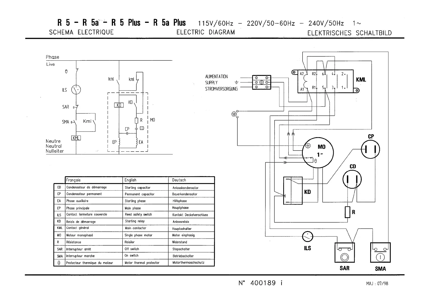
Robot Coupe R5 Plus - Electrical and wiring diagrams

Robot Coupe R5 Plus
28 pages
Print Icon
To Next Page IconTo Next Page
To Next Page IconTo Next Page
To Previous Page IconTo Previous Page
To Previous Page IconTo Previous Page
Loading...
23

Related product manuals