EasyManua.ls Logo

Rosslare AYC-E65BW - Figure 3: Controller Wiring - Using the Internal Power; Figure 4: Controller Wiring - Using the External Power

Rosslare AYC-E65BW
65 pages
Print Icon
To Next Page IconTo Next Page
To Next Page IconTo Next Page
To Previous Page IconTo Previous Page
To Previous Page IconTo Previous Page
Loading...
Installation
AYC-Ex5/T65 Series Installation and Programming Manual 15
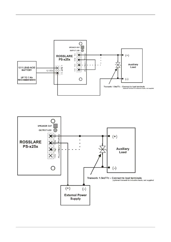
Figure 3 shows the auxiliary output connection using the internal
power.
Figure 3: Controller WiringUsing the Internal Power
Figure 4 shows the auxiliary output connection using the external
power.
Figure 4: Controller WiringUsing the External Power

Table of Contents

Related product manuals