EasyManua.ls Logo

Rotex GasSolarUnit Series - Page 62

Default Icon
64 pages
Print Icon
To Next Page IconTo Next Page
To Next Page IconTo Next Page
To Previous Page IconTo Previous Page
To Previous Page IconTo Previous Page
Loading...
[ 62 ]
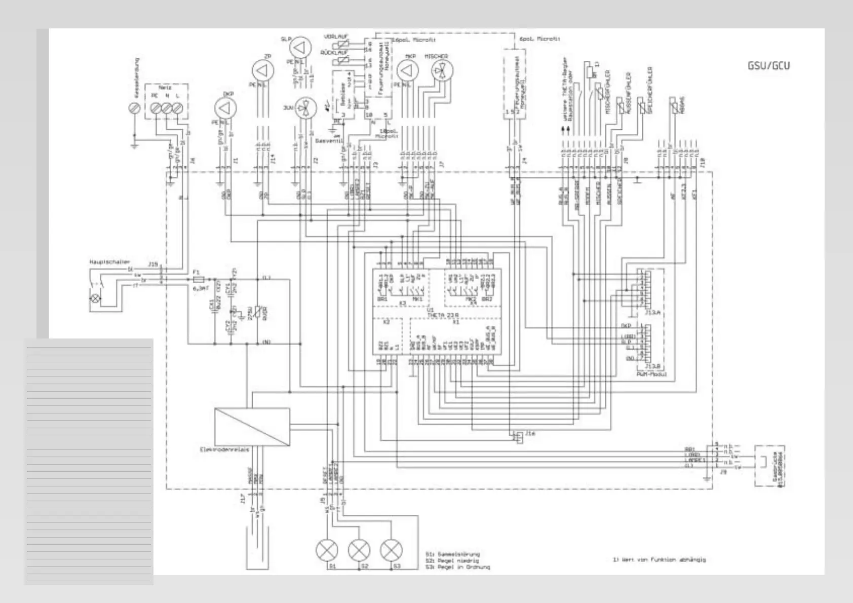
Fig. 8.8: Wiring diagram
16 pol. Microfit
Vorlauf1
Rücklauf1
Mischer
Bauseits
Gebläse
Feuerungsautomat
Kesselerdung
Netz
Abgas1
Speicherfühler
Aussenfühler
Mischerfühler r
Raumstation oder
weitere THETA Regler
Gasventil
Speicher
Aussen
Mischer
Modem
BR-Sperre
Hauptschalter
Elektrodenrelais
Siehe Blatt 2/2
Masse
Max.
Min.
Reset
Lampe1
Lampe2
Sammelstörung
Pegel niedrig
Pegel in Ordnung

Table of Contents

Related product manuals