EasyManua.ls Logo

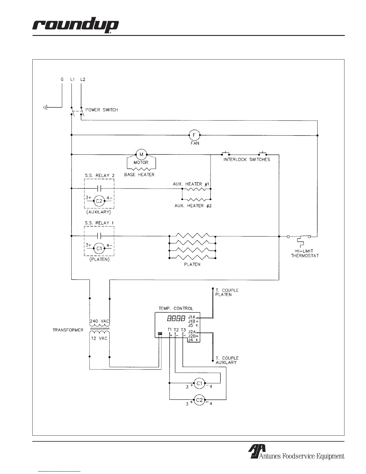
Roundup VCT-250 - WIRING DIAGRAMS (continued); Ladder Wiring Diagram

Roundup VCT-250
28 pages
Print Icon
To Next Page IconTo Next Page
To Next Page IconTo Next Page
To Previous Page IconTo Previous Page
To Previous Page IconTo Previous Page
Loading...
RAPID TOASTER VCT-250
26
P/N 1010776 Rev. H 03/04
McDonald’s
RAPID TOASTER VCT-250
27
P/N 1010776 Rev. H 03/04
McDonald’s
HI-LIMIT
CONTROL
Ladder Wiring Diagram

Related product manuals