EasyManua.ls Logo

SAME SILVER 90 - Page 190

Default Icon
470 pages
Print Icon
To Next Page IconTo Next Page
To Next Page IconTo Next Page
To Previous Page IconTo Previous Page
To Previous Page IconTo Previous Page
Loading...
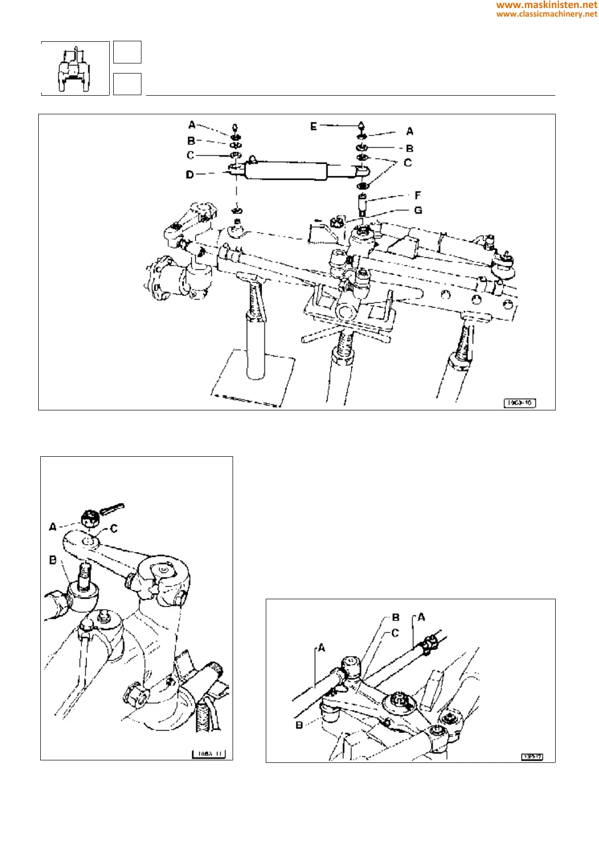
Fig. 10 - Front axle.
Fig. 11 - Steering arms.
check steering rod ball-and-socket joints for damage or wear
and make sure these are able to rotate freely and without
excessive play inside their seats. Replace if necessary.
Ensure the rubber ball joint guard is intact, otherwise replace
the ball joints.
Examine the operating rods for damage or warping. Replace
if required.
Fig. 12 - Steering linkage.
drive axles - axles
2-W.D. extendible axle
A - Snap ring
B - Thrust ring
C - Seal ring
D - Power steering cylinder
E - Grease nipple
F - Pin
G - Castellated nut
A - Castellated nut
B - Ball-and-socket joint
C - External steering lever
A - Steering rods
B - Ball-and-socket joints
C - Centre steering lever
42
4
190
www.maskinisten.net
www.classicmachinery.net

Table of Contents

Related product manuals