EasyManua.ls Logo

SAME SILVER 90 - Cold Climate Electric Heater Wiring 007.6872.4;10

Default Icon
470 pages
Print Icon
To Next Page IconTo Next Page
To Next Page IconTo Next Page
To Previous Page IconTo Previous Page
To Previous Page IconTo Previous Page
Loading...
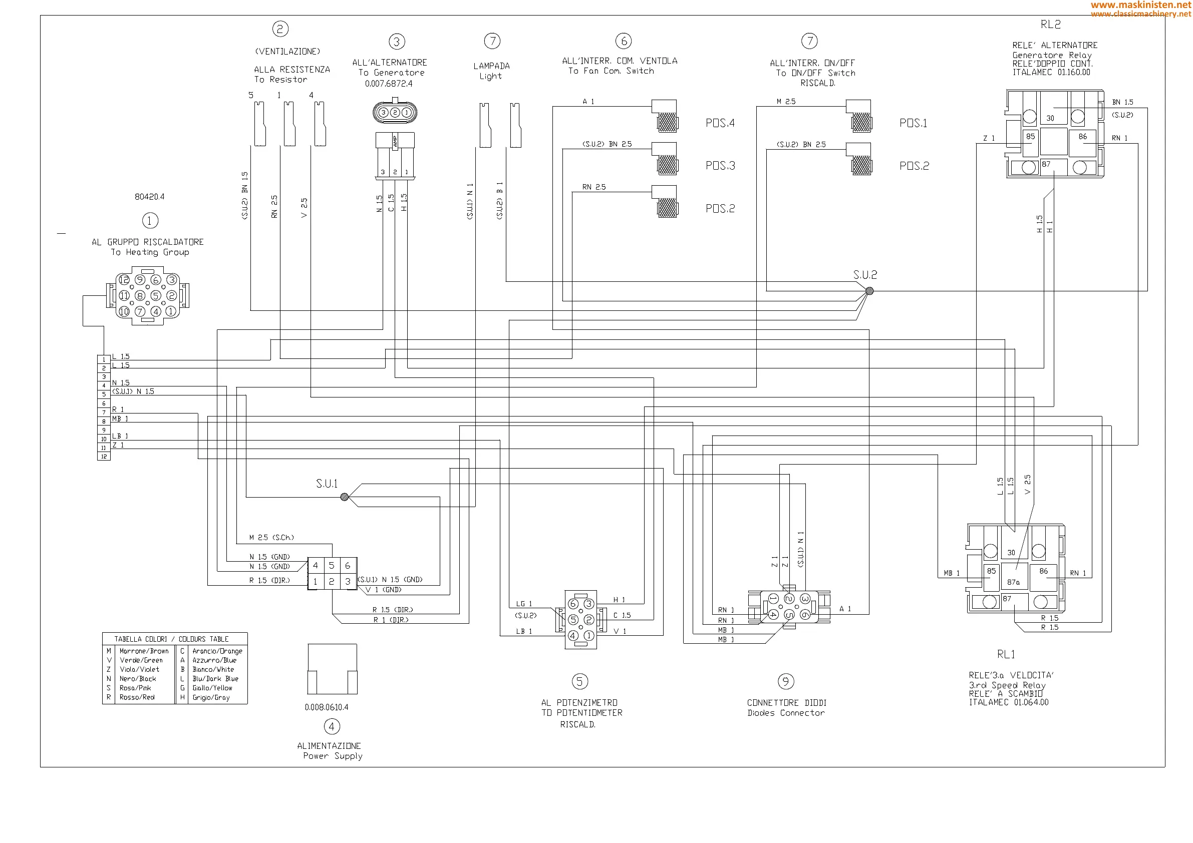
CAB WIRING SHEET 7 - COLD CLIMATE ELECTRIC HEATER WIRING 007.6872.4/10
427
www.maskinisten.net
www.classicmachinery.net

Table of Contents

Related product manuals