EasyManua.ls Logo

SAME SILVER 90 - Checks and Adjustments

Default Icon
470 pages
Print Icon
To Next Page IconTo Next Page
To Next Page IconTo Next Page
To Previous Page IconTo Previous Page
To Previous Page IconTo Previous Page
Loading...
Inspections and checks
Carry out a thorough check and adjust the end play as follows:
Move the axle forward tapping with a non-ferrous metal ham-
mer.
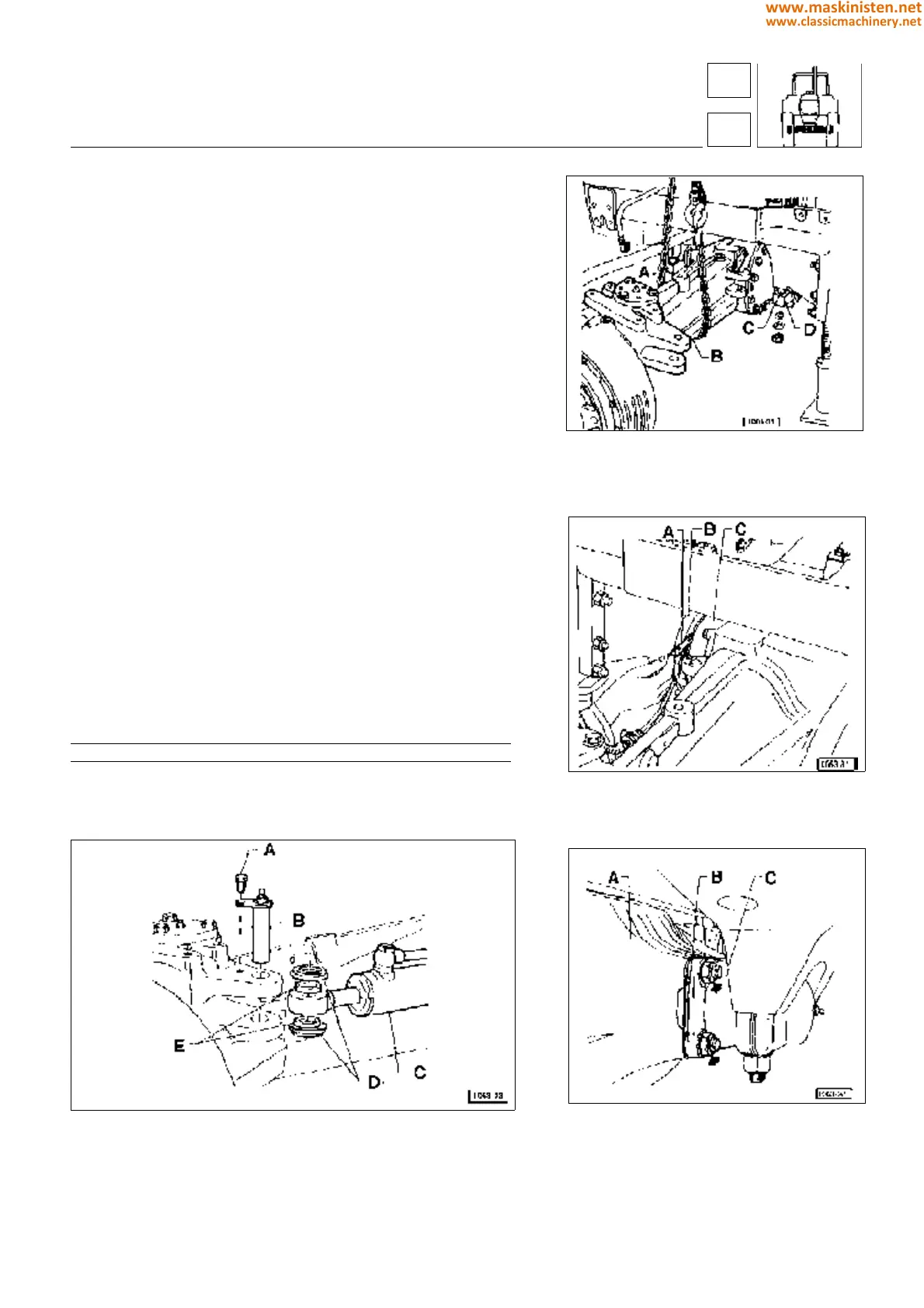
Use thickness gauge A (see Fig. 5), to make sure that the end
play between shoulder ring B and differential housing C is
within specifications given in the related table (see page 195).
If the end play is correct loosen the four nuts securing front
swivel support C to drive axle A and add or remove a number
of shims B enough to obtain the recommended end play.
Bleed the air from the brake system.
Check the toe-in and adjust the differential lock operating rod
if necessary.
Tighten the swivel support securing nuts to the specified
torque.
Swivel support securing nuts
front 89 Nm (9,1 kgm)
rear 142 Nm (14,5 kgm)
Fig. 7 - Power steering cylinder securing pin.
A - Pin securing pin
B - Power steering cylinder fixing pin
C - Power steering hydraulic cylinder
D - Dust cover
E - Spacers
Fig. 4 - Removing/Installing the front drive axle.
A - Swivel supports
B - Front axle
C - Spacers
D - Swivel support
Fig. 5 - Checking the front axle end play.
A - Thickness gauge
B - Shoulder ring
C - Differential housing
Fig. 6 - Front axle end play check point.
A - Front drive axle
B - Shims
C - Front swivel support
drive axles - axles
4-W.D. front axle
43
4
197
www.maskinisten.net
www.classicmachinery.net

Table of Contents

Related product manuals