EasyManua.ls Logo

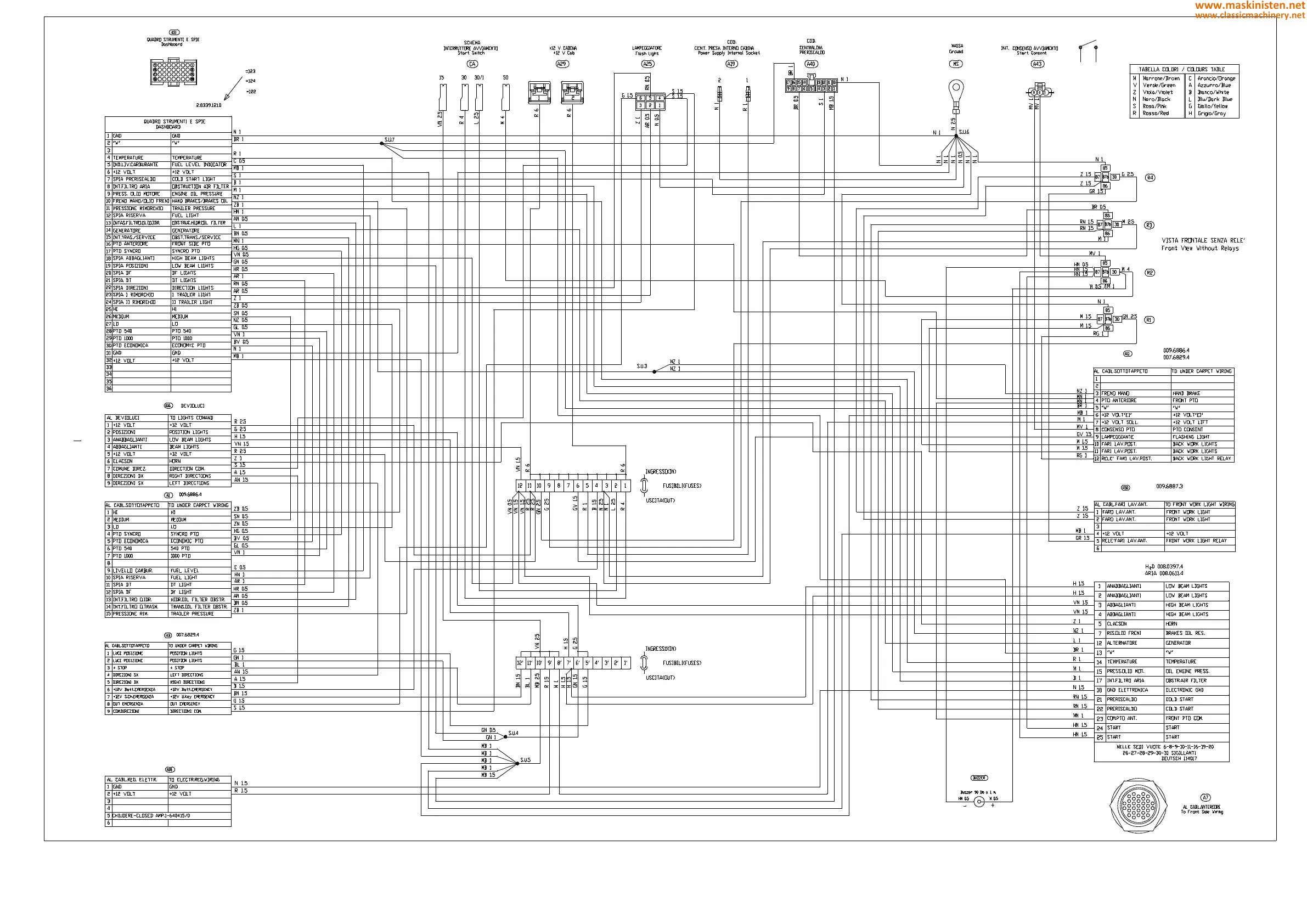
SAME SILVER 90 - Central Wiring 009.6885.4;20

Default Icon
470 pages
Print Icon
To Next Page IconTo Next Page
To Next Page IconTo Next Page
To Previous Page IconTo Previous Page
To Previous Page IconTo Previous Page
Loading...
PLATFORM WIRING SHEET 15 - CENTRAL WIRING 009.6885.4/20
435
www.maskinisten.net
www.classicmachinery.net

Table of Contents

Related product manuals