EasyManua.ls Logo

SAME SILVER 90 - Page 252

Default Icon
470 pages
Print Icon
To Next Page IconTo Next Page
To Next Page IconTo Next Page
To Previous Page IconTo Previous Page
To Previous Page IconTo Previous Page
Loading...
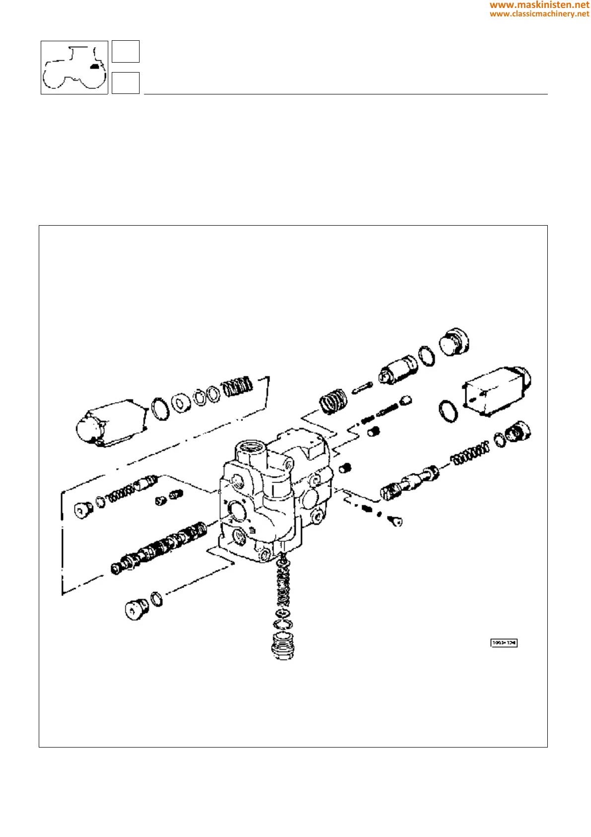
Electro-hydraulic distributor
Fig. 6 - Electro-hydraulic electronic power-lift distributor.
59
5
vehicle
electronic power-lift
252
www.maskinisten.net
www.classicmachinery.net

Table of Contents

Related product manuals