EasyManua.ls Logo

SAME SILVER 90 - Page 429

Default Icon
470 pages
Print Icon
To Next Page IconTo Next Page
To Next Page IconTo Next Page
To Previous Page IconTo Previous Page
To Previous Page IconTo Previous Page
Loading...
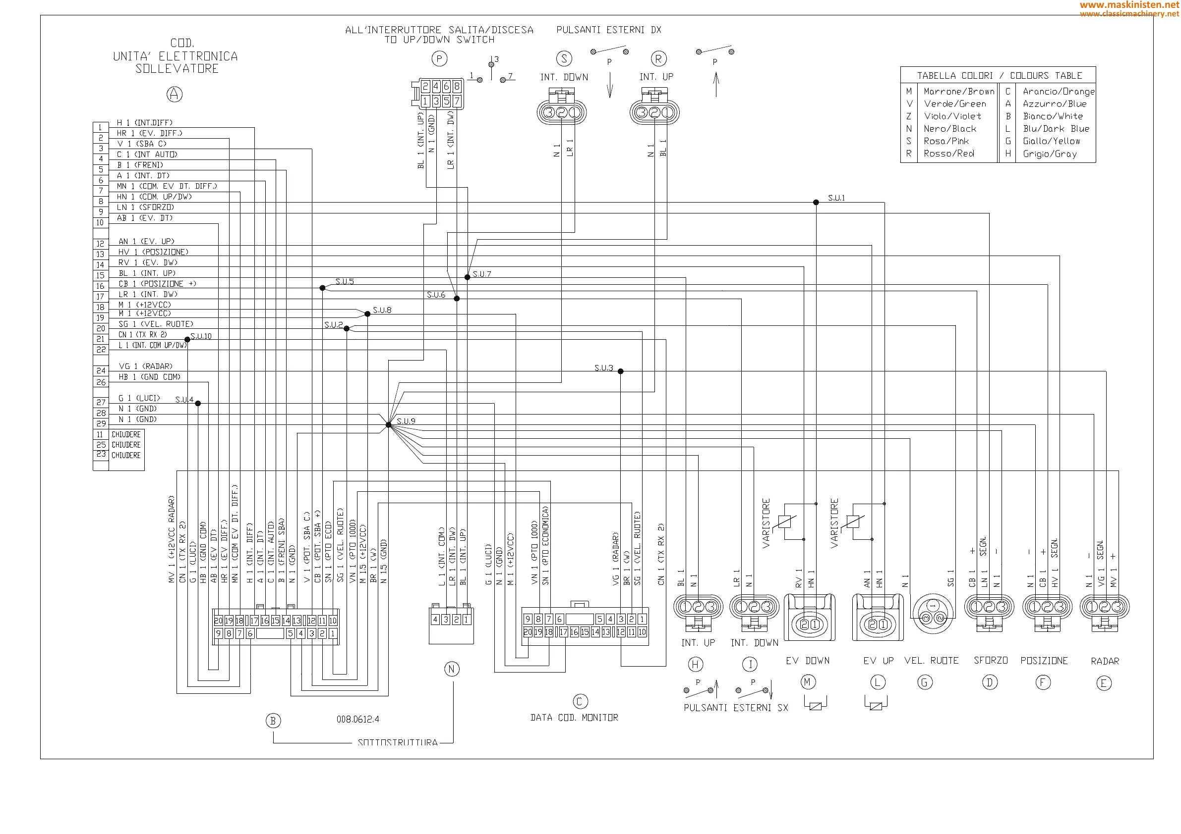
CAB WIRING SHEET 9 - ELECTRONIC LIFT WIRING 009.7712.4/40
429
www.maskinisten.net
www.classicmachinery.net

Table of Contents

Related product manuals