EasyManua.ls Logo

Samsung AM240MXVGNR/ET - Page 231

Samsung AM240MXVGNR/ET
277 pages
Print Icon
To Next Page IconTo Next Page
To Next Page IconTo Next Page
To Previous Page IconTo Previous Page
To Previous Page IconTo Previous Page
Loading...
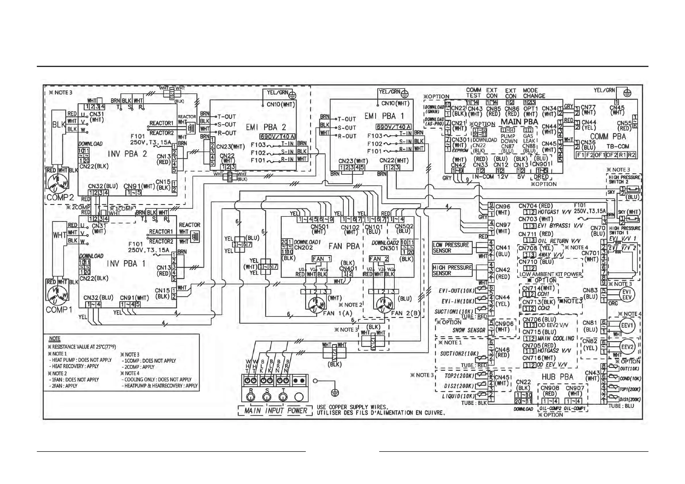
Wiring Diagram
6-15 Samsung Electronics
Wiring Diagram
Samsung Electronics 6-16
This Document can not be used without Samsungs authorization.
6-8 AM100/120/180/200MXVAFC, AM160/180/260/280/300MXVAGC

Table of Contents

Other manuals for Samsung AM240MXVGNR/ET

Related product manuals