EasyManua.ls Logo

Samsung AM240MXVGNR/ET - 7-23 Heating operation (H;P)

Samsung AM240MXVGNR/ET
277 pages
To Next Page IconTo Next Page
To Next Page IconTo Next Page
To Previous Page IconTo Previous Page
To Previous Page IconTo Previous Page
Loading...
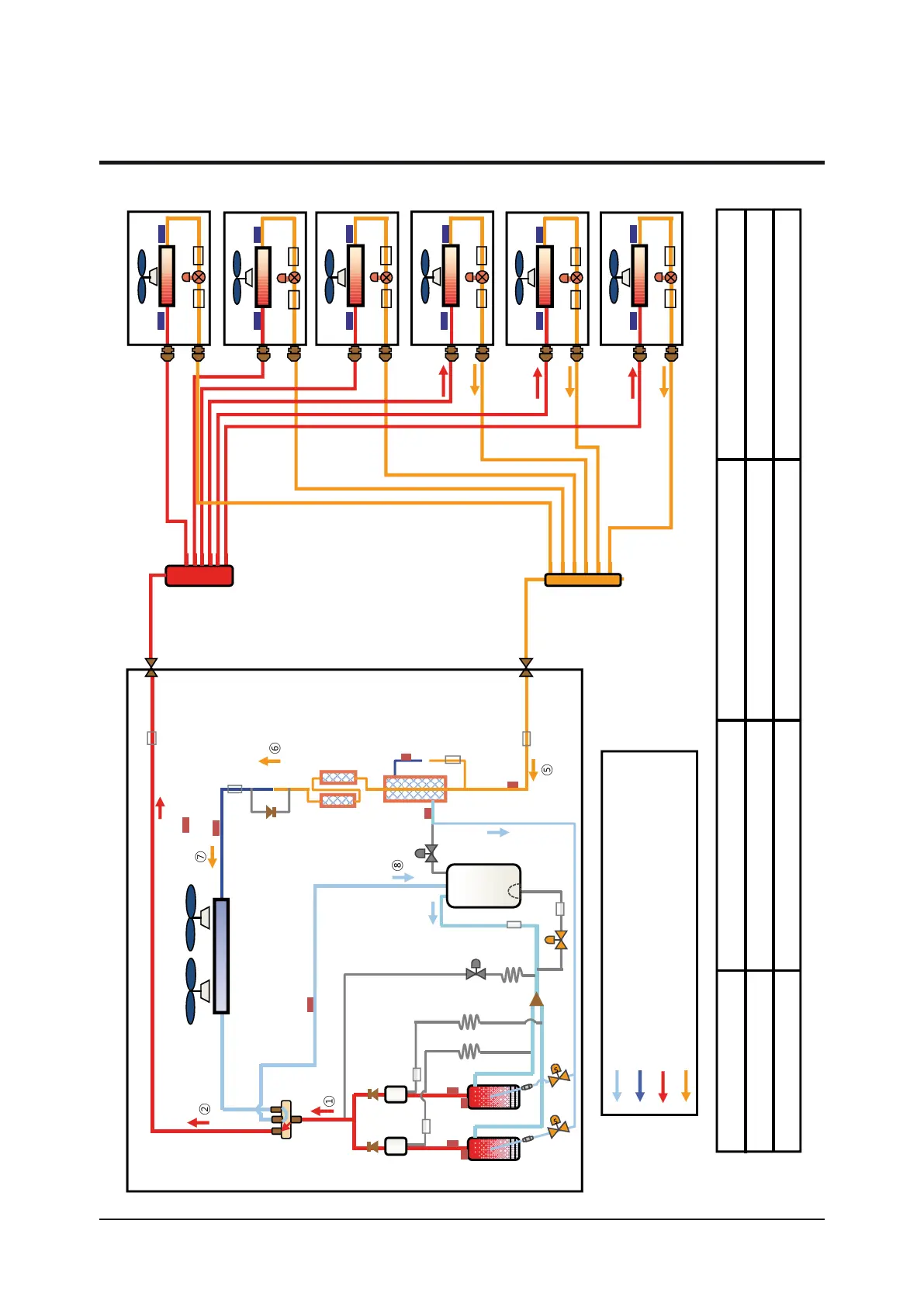
Cycle Diagram
Samsung Electronics 7-17
7-23 Heating operation (H/P)
&RROLQJRSHUDWLRQ
+HDWLQJRSHUDWLRQ
8QLW
2XWGRRUXQLW ,QGRRUXQLWV 2XWGRRUXQLW
£¤
¥¦
§¨©ª
(
(
(
(
(
(
¥
¦
+HDWLQJ
+HDWLQJ
+HDWLQJ
+HDWLQJ
+HDWLQJ
+HDWLQJ
¤
§
£
ª
V
V
V
¨
/RZWHPSHUDWXUHSUHVVXUHOLTXLG
+LJKWHPSHUDWXUHSUHVVXUHJDV
+LJKWHPSHUDWXUHSUHVVXUHOLTXLG
/RZWHPSHUDWXUHSUHVVXUHJDV
©

Table of Contents

Other manuals for Samsung AM240MXVGNR/ET

Related product manuals