EasyManua.ls Logo

Samsung AM240MXVGNR/ET - 7-21 Main heating operation (H;R)

Samsung AM240MXVGNR/ET
277 pages
To Next Page IconTo Next Page
To Next Page IconTo Next Page
To Previous Page IconTo Previous Page
To Previous Page IconTo Previous Page
Loading...
Cycle Diagram
Samsung Electronics 7-15
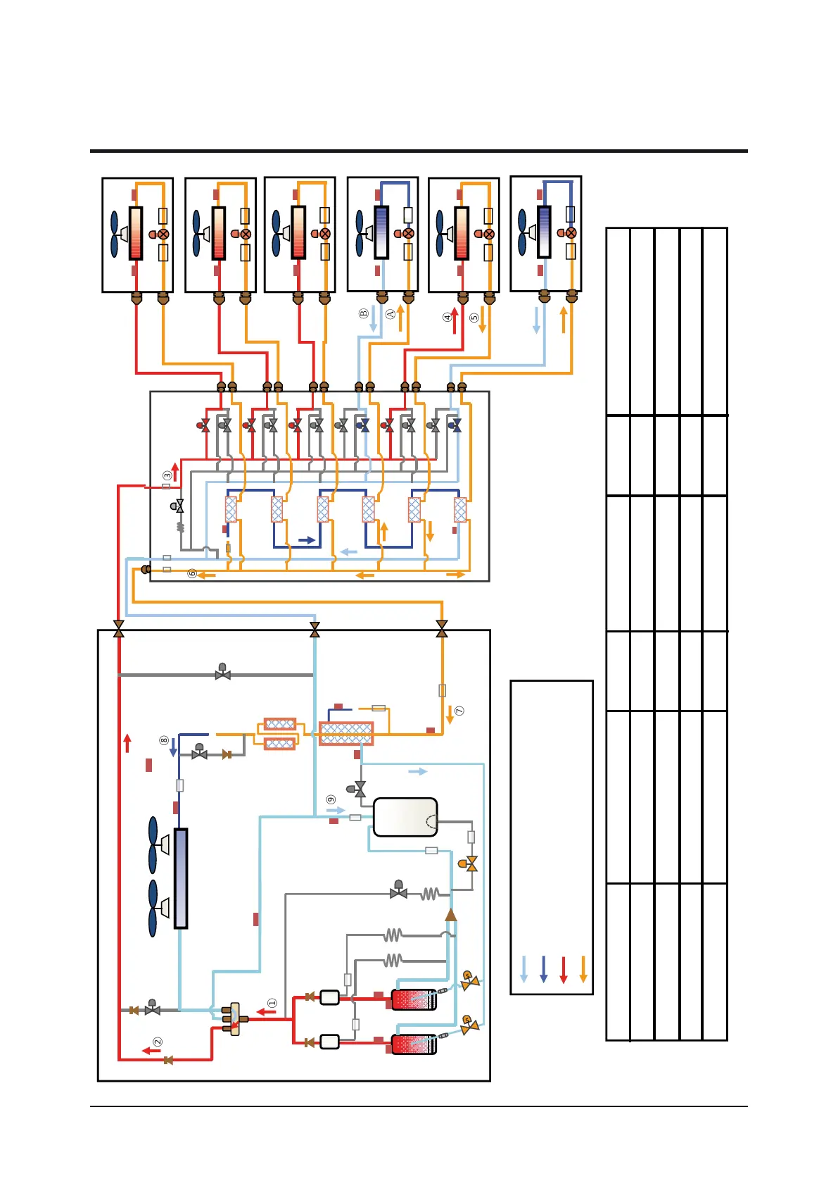
7-21 Main heating operation (H/R)
&RROLQJRSHUDWLRQ
0DLQFRROLQJRSHU
8QLW
2XWGRRUXQLW ,QGRRUXQLWV 2XWGRRUXQLW
0&8
0&8
+HDWLQJRSHUDWLRQ
0DLQKHDWLQJRSHU
䀺䀻 䀽䀾ׇ׈ 䁀䁁䁂䀼䀿׉
§
¦
ׇ
׈
£
¤
ª
«
©
(
(
(
(
+HDWLQJ
+HDWLQJ
+HDWLQJ
+HDWLQJ
(
(
&RROLQJ
&RROLQJ
V
V
V
V
V
V
¥
V
V
V
V
V
V
V
V
V
V
V
V
¨
/RZWHPSHUDWXUHSUHVVXUHOLTXLG
+LJKWHPSHUDWXUHSUHVVXUHJDV
+LJKWHPSHUDWXUHSUHVVXUHOLTXLG
/RZWHPSHUDWXUHSUHVVXUHJDV

Table of Contents

Other manuals for Samsung AM240MXVGNR/ET

Related product manuals