EasyManua.ls Logo

Samsung AM240MXVGNR/ET - 7-22 Cooling operation (H;P)

Samsung AM240MXVGNR/ET
277 pages
To Next Page IconTo Next Page
To Next Page IconTo Next Page
To Previous Page IconTo Previous Page
To Previous Page IconTo Previous Page
Loading...
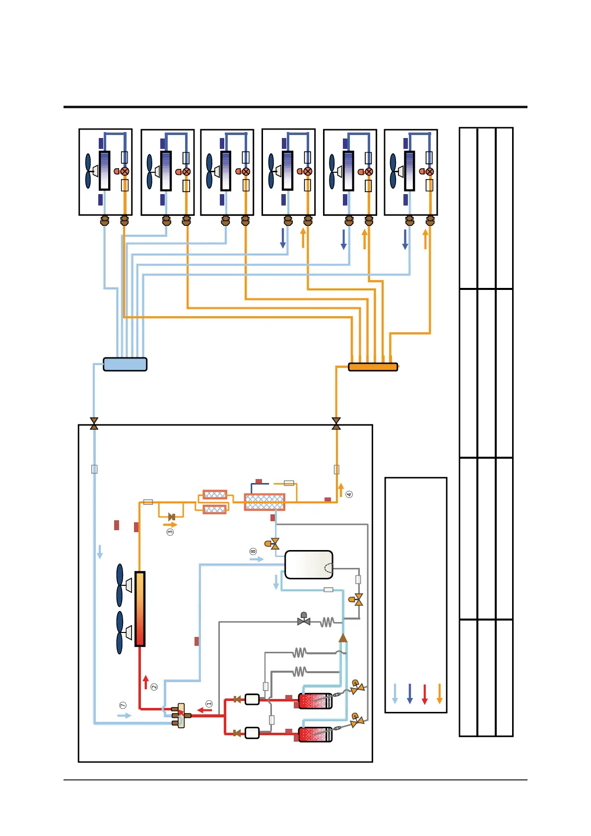
Cycle Diagram
7-16 Samsung Electronics
7-22 Cooling operation (H/P)
(
(
(
(
(
(
§
¨
&RROLQJRSHUDWLRQ
+HDWLQJRSHUDWLRQ
8QLW
2XWGRRUXQLW ,QGRRUXQLWV 2XWGRRUXQLW
£¤¥¦ §¨
©ª
&RROLQJ
&RROLQJ
&RROLQJ
&RROLQJ
&RROLQJ
&RROLQJ
¤
¦
£
ª
V
V
V
¥
/RZWHPSHUDWXUHSUHVVXUHOLTXLG
+LJKWHPSHUDWXUHSUHVVXUHJDV
+LJKWHPSHUDWXUHSUHVVXUHOLTXLG
/RZWHPSHUDWXUHSUHVVXUHJDV
©

Table of Contents

Other manuals for Samsung AM240MXVGNR/ET

Related product manuals