EasyManua.ls Logo

Samsung RT44MB - Reset Circuit; Door S;W Sensor Circuit

Samsung RT44MB
47 pages
Print Icon
To Next Page IconTo Next Page
To Next Page IconTo Next Page
To Previous Page IconTo Previous Page
To Previous Page IconTo Previous Page
Loading...
17
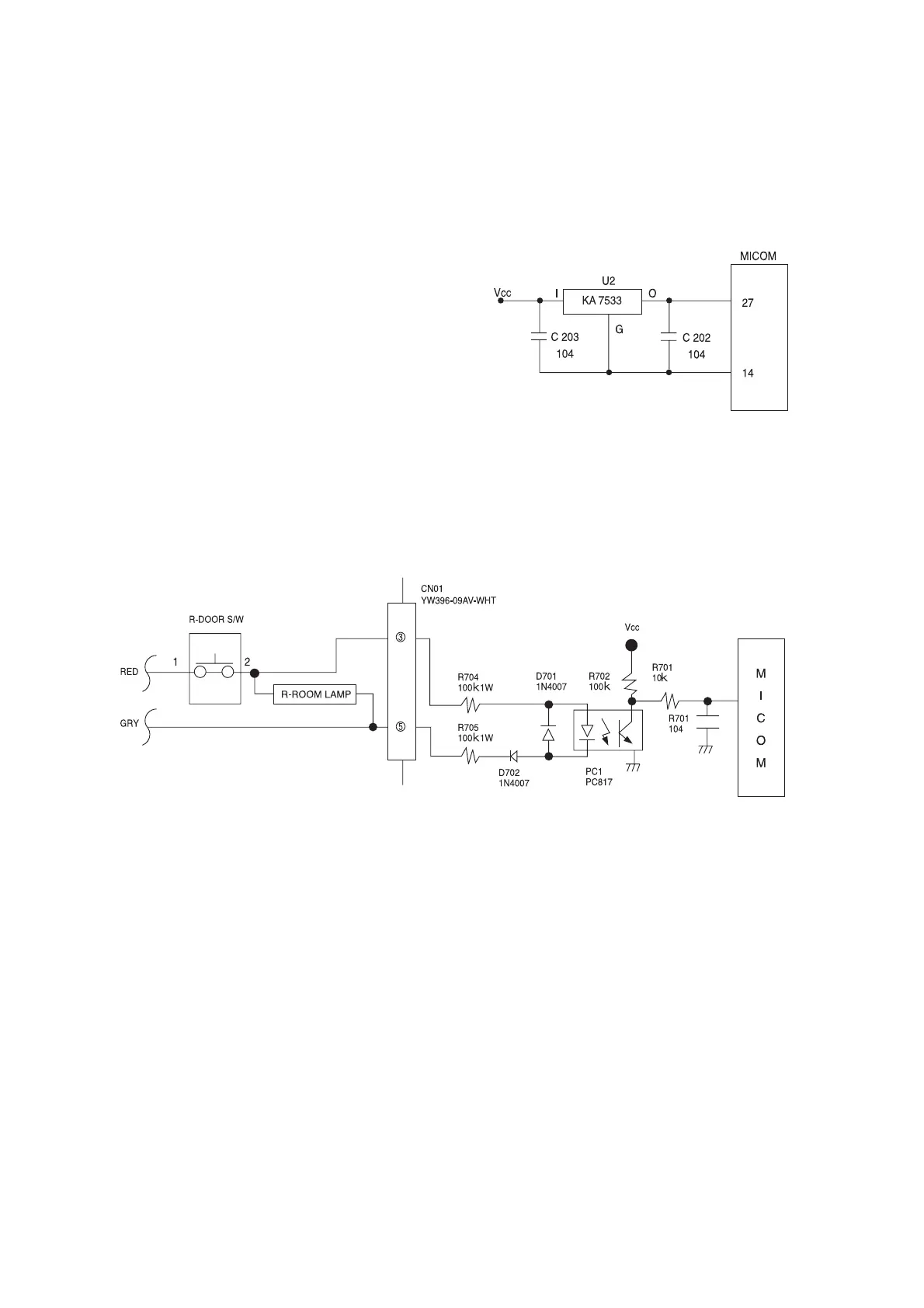
The reset circuit makes all program functions operate at the
initial stage by initializes the various parts such as RAM in
MICOM when the power is supplied or the power is supplied
to the MICOM power by a power failure in a moment.
When the power is supplied, the voltage of reset becomes
low during scores of uSEC, and it maintains high during the
normal operation.
If door is open, R-DOOR S/W contact is closed. Then when RED LINE supplies power to GRAY
LINE passing through R704 and PHOTO COUPLER(PC817) LED and D702, PC817 operates
and generates 50 or 60HZ globe-shaped wave.
MICOM recognizes this waveform and detects that door is open.
If door is closed, R-DOOR S/W contact is open and power is not supplied to PC817, MICOM
recognizes that door is closed as DC5V is maintained continuously.
3. Reset Circuit
4. Door S/W Sensor Circuit

Table of Contents

Related product manuals