EasyManua.ls Logo

Samsung RT44MB - Load Operation and Indicating Lamp Controlling Parts

Samsung RT44MB
47 pages
Print Icon
To Next Page IconTo Next Page
To Next Page IconTo Next Page
To Previous Page IconTo Previous Page
To Previous Page IconTo Previous Page
Loading...
20
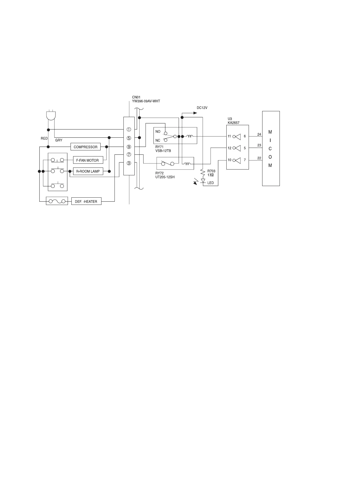
a) When the COMP is turned on, the micom (pin 24) outputs high (DC 5V) and a realy is
activated. When the COMP is turned off, the micom (pin 24) outputs low (0V)
b) The defrosting heater is turned on, the micom (pin 23) outputs high (DC 5V) and a realy is
activated. When the defrosting heater is turned off, the micom (pin 23) outputs low (0V).
c) Indicating Lamp is turned ON when MICOM(PIN 22) input voltage is high and DC12V is
passed to LED through resistance R703.
When MICOM(PIN 22) output is low, LED is turned OFF.
7. Load Operation and Indicating Lamp Controlling Parts

Table of Contents

Related product manuals