EasyManua.ls Logo

Samsung RT44MB - Circuit

Samsung RT44MB
47 pages
Print Icon
To Next Page IconTo Next Page
To Next Page IconTo Next Page
To Previous Page IconTo Previous Page
To Previous Page IconTo Previous Page
Loading...
24
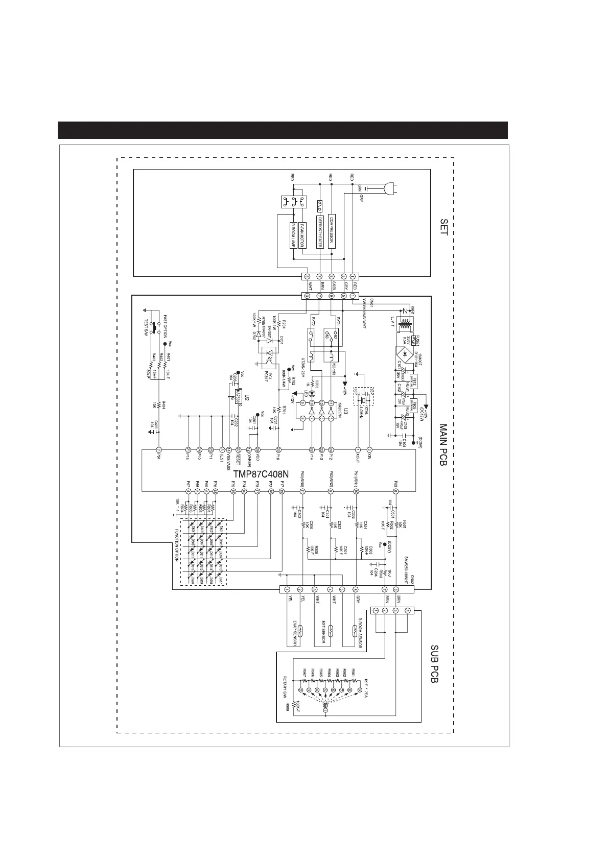
4. Circuit

Table of Contents

Related product manuals