EasyManua.ls Logo

Samsung S3C8275X - Basic Timer Block Diagram

Samsung S3C8275X
324 pages
Print Icon
To Next Page IconTo Next Page
To Next Page IconTo Next Page
To Previous Page IconTo Previous Page
To Previous Page IconTo Previous Page
Loading...
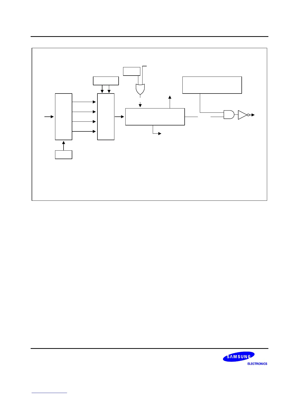
BASIC TIMER S3C8275X/F8275X/C8278X/F8278X/C8274X/F8274X
10-4
NOTE:
During a power-on reset operation, the CPU is idle during the required oscillation
stabilization interval (until bit 4 of the basic timer counter overflows).
MUX
f
XX
/4096
DIV
f
XX
/1024
f
XX
/128
f
XX
/16
f
XX
Bits 3, 2
Bit 0
Basic Timer Control Register
(Write '1010xxxxB' to Disable)
Clear
Bit 1
RESET or STOP
Data Bus
8-Bit Up Counter
(BTCNT, Read-Only)
Start the CPU
(note)
OVF
RESET
u
Figure 10-2. Basic Timer Block Diagram

Table of Contents

Related product manuals