EasyManua.ls Logo

Samsung S3C8275X - Timer 1 Block Diagram (One 16-Bit Mode)

Samsung S3C8275X
324 pages
Print Icon
To Next Page IconTo Next Page
To Next Page IconTo Next Page
To Previous Page IconTo Previous Page
To Previous Page IconTo Previous Page
Loading...
S3C8275X/F8275X/C8278X/F8278X/C8274X/F8274X TIMER 1
11-3
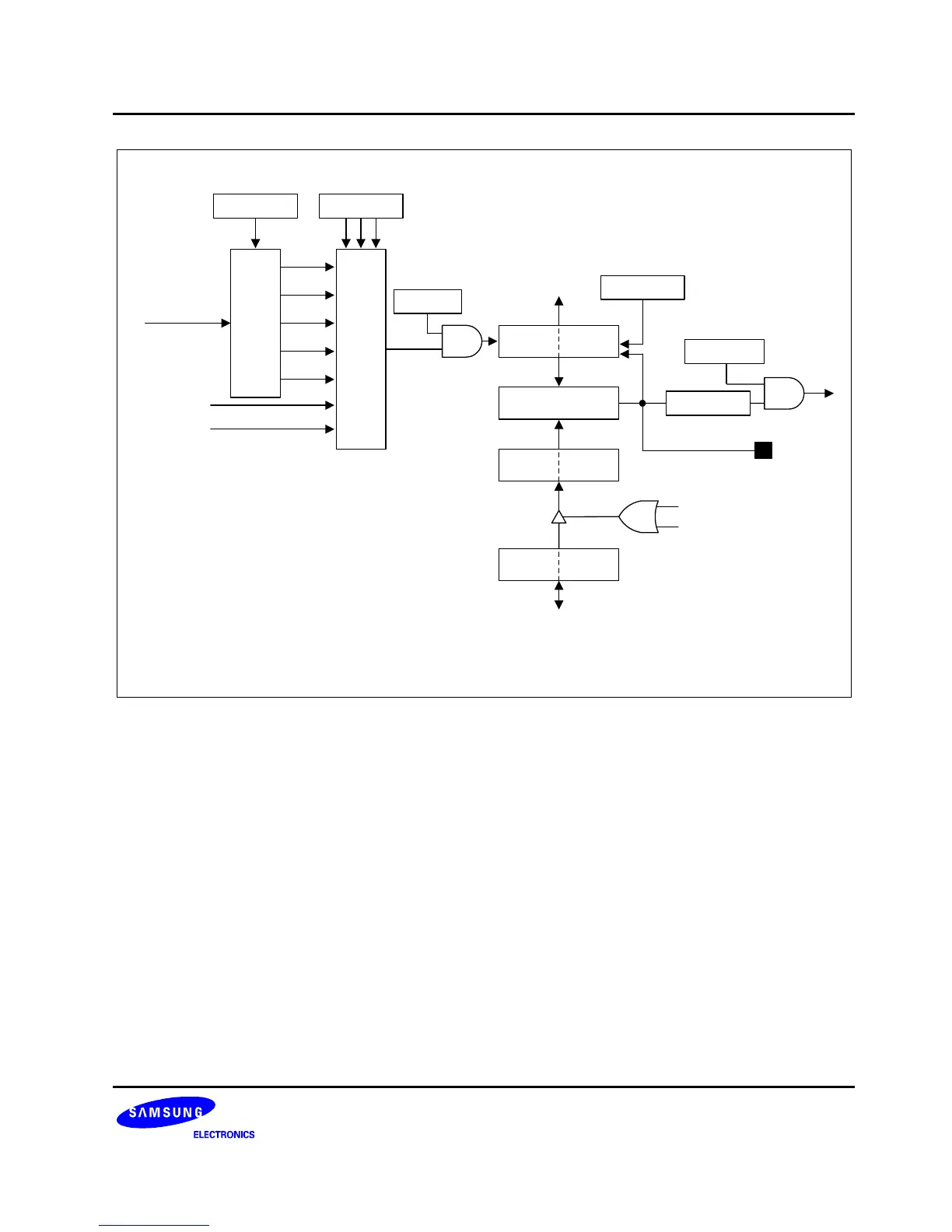
NOTE:
When one 16-bit timer mode (TACON.7 <- "1": Timer 1)
TACON.6-.4
M
U
X
1/8
1/64
1/256
1/512
TACON.0
TAOUT
T1INT
1/1
DIV
R
fxt
T1CLK
(X
IN
or XT
IN
)
fxx
BTCON.0
TACON.2
TBCNT TACNT
16-Bit Comparator
TBDATA
Buffer
TADATA
Buffer
TBDATA TADATA
LSB MSB
LSB MSB
Match Signal
T1CLR
TACON.1
Match
R
TACON.3
Data Bus
Data Bus
Clear
Figure 11-2. Timer 1 Block Diagram (One 16-bit Mode)

Table of Contents

Related product manuals