EasyManua.ls Logo

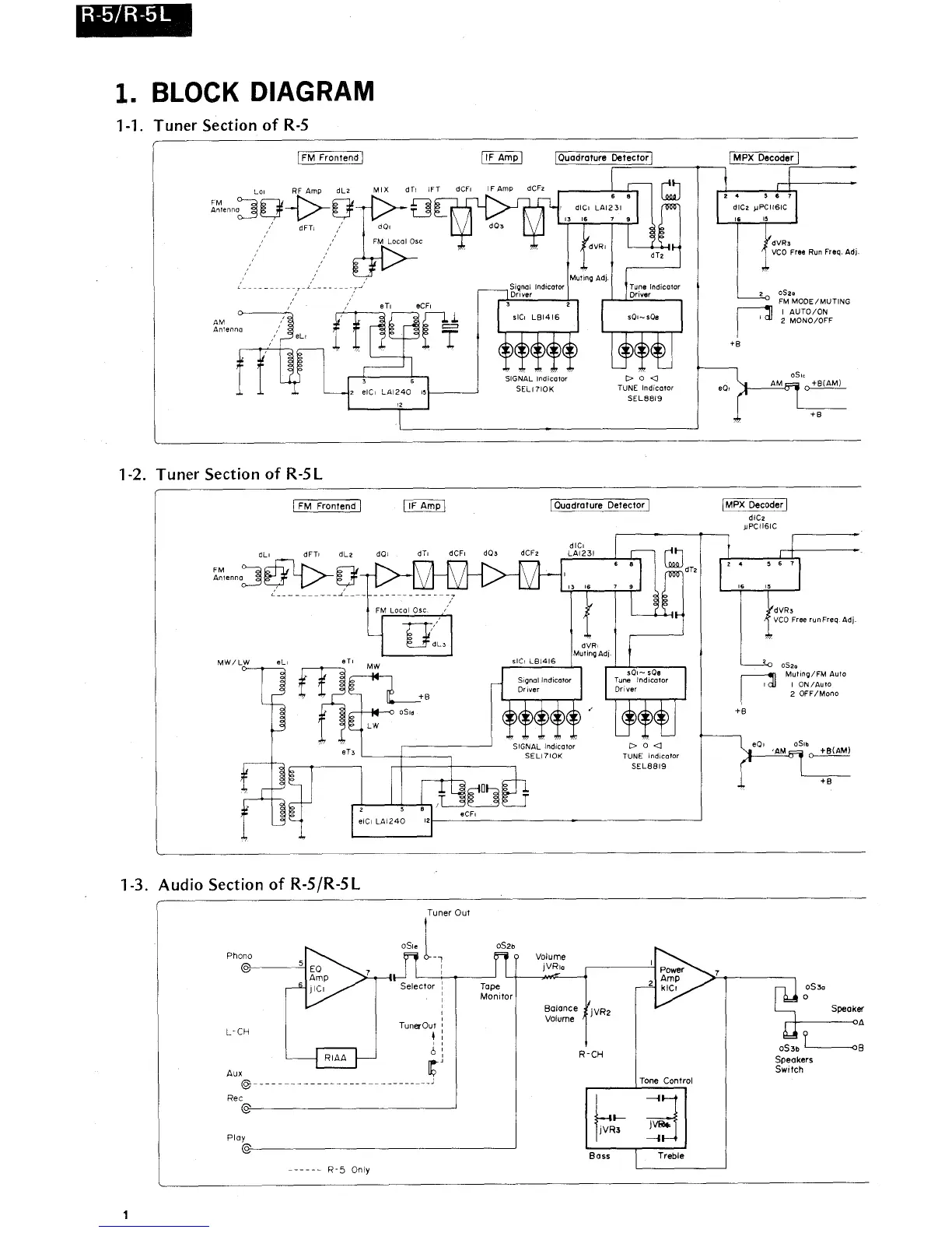
Sansui R-5 - Block Diagram

Sansui R-5
18 pages
Print Icon
To Next Page IconTo Next Page
To Next Page IconTo Next Page
To Previous Page IconTo Previous Page
To Previous Page IconTo Previous Page
Loading...

Other manuals for Sansui R-5

Related product manuals