EasyManua.ls Logo

Santos 01 - Page 51

Santos 01
Print Icon
To Next Page IconTo Next Page
To Next Page IconTo Next Page
To Previous Page IconTo Previous Page
To Previous Page IconTo Previous Page
Loading...
98101 FR 3.2 - 10 2010 13 / 20 www.santos.fr
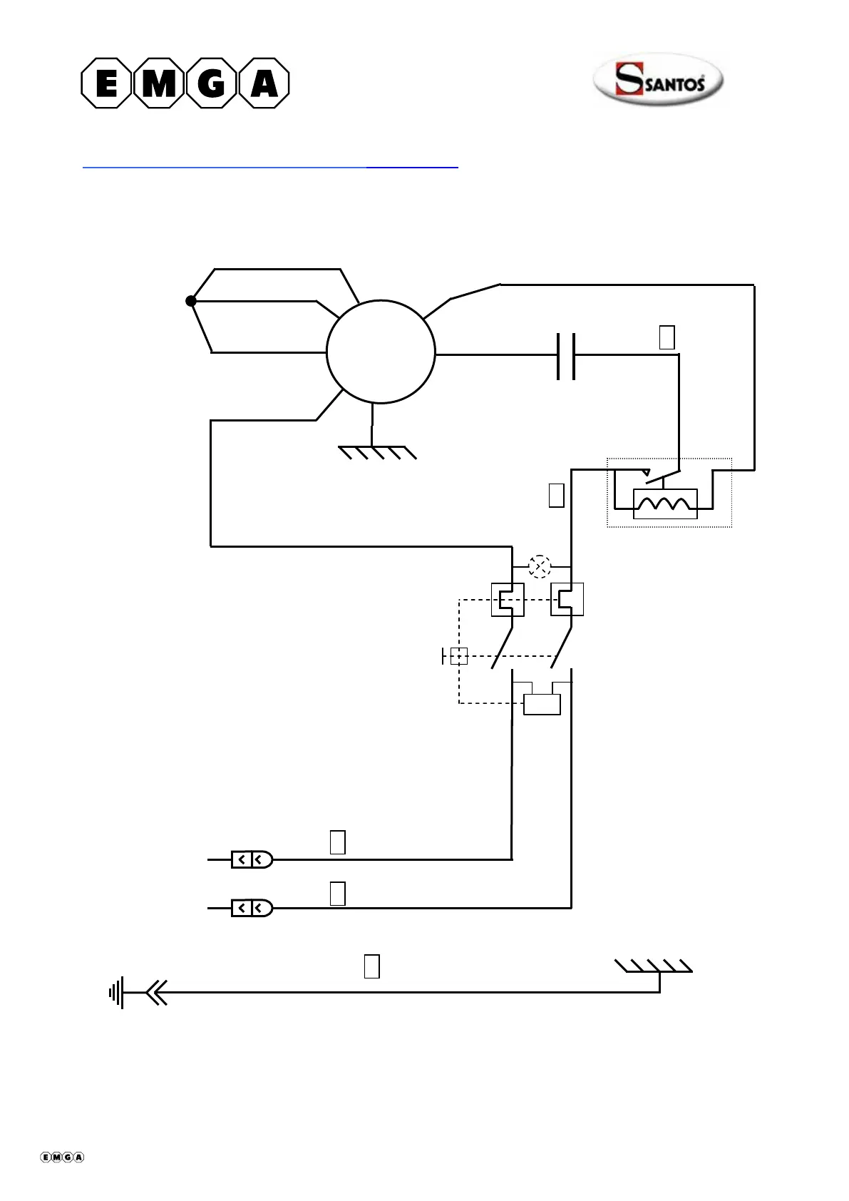
Schéma électrique 220-240V 60Hz Modèle n°1
4
3
2
Relais de
démarrage
Bleu
~
Marche/Arrêt
Blanc
Blanc
Blanc
9
Condensateur
M
Jaune
Marron
Rouge
Noir
Blanc
1
1
4
3
P1
U<
P2
1
Blanc
1
Blanc
Noir
Vert / jaune
408001-12 fr ma 2010.10 13/20

Table of Contents

Related product manuals