EasyManua.ls Logo

Santos 27 - Electrical diagrams

Santos 27
19 pages
Print Icon
To Next Page IconTo Next Page
To Next Page IconTo Next Page
To Previous Page IconTo Previous Page
To Previous Page IconTo Previous Page
Loading...
98127 EN 2.2 - 12 2010 14 / 19 www.santos.fr
SANTOS : Instruction and maintenance manual
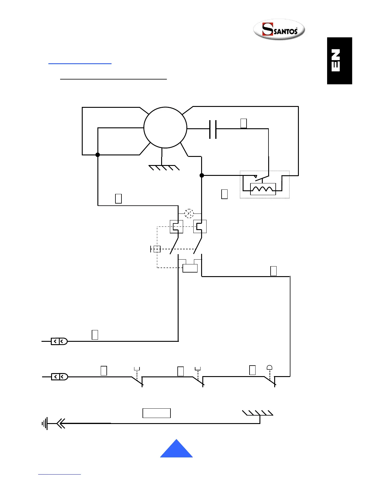
Electrical diagrams
110-120V 50/60Hz wiring diagram
Switch (bowl)
~
1
6
15 and 16
3
Green / yellow
U<
P2
3
P1
4
Switch (Grid)
Stop
Blue
Brown
Brown
Brown
3
4
Brown
On / Off
White
5
4
3
2
Starter relay
Blue
2
Black
7
White
M
Yellow
White
Black
Brown
Red

Related product manuals