EasyManua.ls Logo

Santos 27 - 380 V; 220 V 50 Hz Three-Phase Wiring Diagram

Santos 27
19 pages
Print Icon
To Next Page IconTo Next Page
To Next Page IconTo Next Page
To Previous Page IconTo Previous Page
To Previous Page IconTo Previous Page
Loading...
98127 EN 2.2 - 12 2010 15 / 19 www.santos.fr
SANTOS : Instruction and maintenance manual
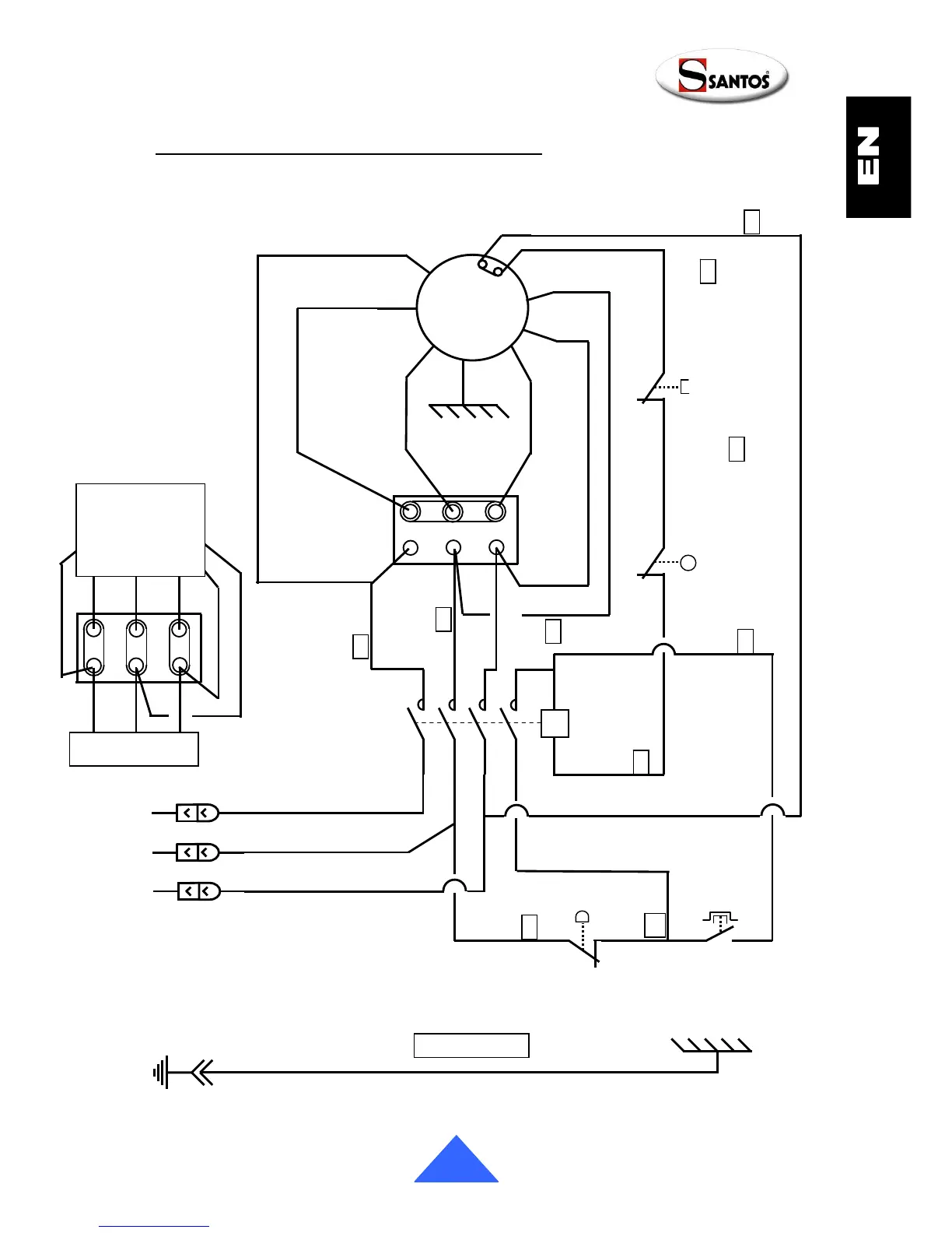
380V / 220V 50Hz three-phase wiring diagram
Switch (bowl)
~
11
14 15 and 16
5
Green / yellow
Switch (Grid)
Stop
Blue
Brown
Brown
Brown
On / Off
Brown
2
Black
Yellow
1
M
Black
White
Orange
Red
1
6
14
A2
A113
5
3
42
Noir
Black
Blue
White
White
White
3
9
9
9
220V three-
phase
MOTOR
connection
RELAY
White
6
Blue
White
White
7

Related product manuals