EasyManua.ls Logo

Sanyo C4 - Page 27

Sanyo C4
34 pages
Print Icon
To Next Page IconTo Next Page
To Next Page IconTo Next Page
To Previous Page IconTo Previous Page
To Previous Page IconTo Previous Page
Loading...
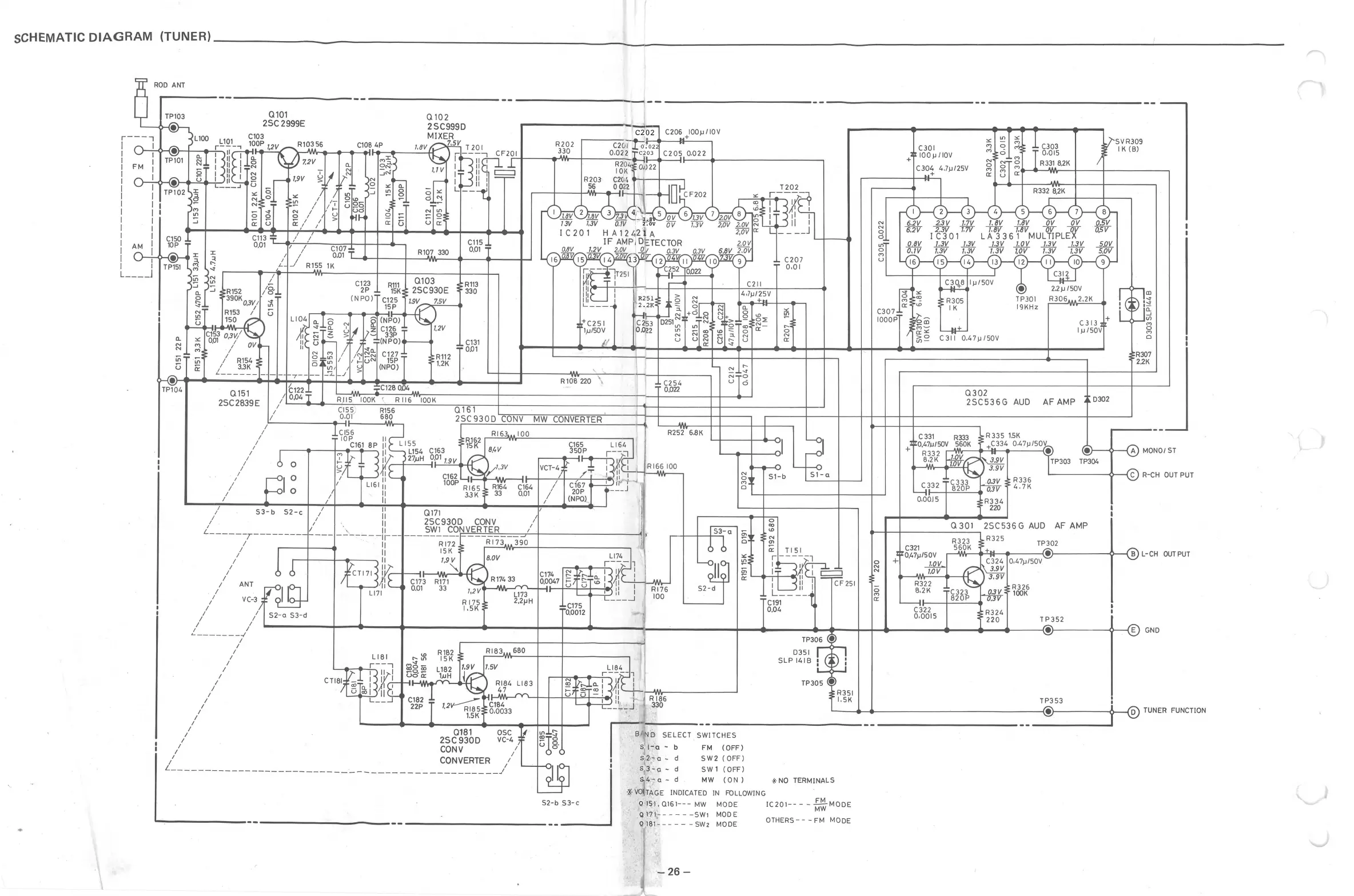
SCHEMATIC DIAGRAM (TUNER) _____________________________________________________ _.:.,__ ______ _
r-
1
I
I
I
I
I
I
I
I
I
I
I
I
I
I
I
I
L ___ _
a.
"'
N
in
u
TP104
0101
2SC2999E
I
I
I
I
Lj
, R155 1K
2 /8·
KO.JV I Ji
L ______
-----
0151
E:122
2SC2839E
/ 0,04
I
I
I
I
I
I
C123 R111
2P 15K
(NPO) C125
15P
C/55,
R156
o.or
680
Q 102
2SC999D
IOOK
C115
0.0,
R113
330
C131
0,01
Q161
+e251
1µ150V
R10S220 \
2SC930D CONY MW CONVERTER
C206 +I00µ/IOV
C254
0,022
R252 6.8K
(207
0,01
.....
0
N
a:
(301
+ 100 µ IIOV
(304
+
C3II 0.47µ150V
0302
2SC536G AUD AF AMP
C 313 +
lµISOV
0302
I
LISS
C165 L/64
I
I
I
I
I
I
I
I
I
I
I
0
0
0
L154 C163
27µH 0,01 /.gv
OP
1
--::-,
,---_..--I
1
1
1 : R/66 100
1-=-•-\AAr-----lt--+--+-t--r--+-- :: I '
1t""'t .......
__ J
(N
TISI
--7
I
I
~-,-+---toe• I I
0,04
II
II
0
N
N
0
M
a:
+
+
C322
0,0015
et--9----1.A MONO/ ST
TP304
~------<>---< C R-CH OUT PUT
T P 352
-------r---4----t------- .... ----~-+-- ...
----➔
----------,i--•----,._
--+-+
-----,._
__ .,_ _ _. __ --(e,1---------0----<E GNO
LISI
CT/81
TP353
--_..._.._ ________________ --1eJ--------<:>---ID TUNER FUNCTION
n
N°D SELECT SWITCHES
s
1
1-·a - b FM (OFF)
l
1 2•~ a - d SW 2 (OFF)
-
1
s/-a - d SW 1 (OFF)
S.4.-a - d MW (ON) *·NO TERMINALS
·¼· vohAGE INDICATED IN FOLLOWING
S2-b S3-c Q'151, Q161--- MW MODE IC201-- - - £M_MODE
MW
Q1"71'.._-----sw, MODE
Q 181--- - - -SW2 MODE
OTHERS- - - FM MODE

Related product manuals