EasyManua.ls Logo

Sanyo C4 - Page 28

Sanyo C4
34 pages
Print Icon
To Next Page IconTo Next Page
To Next Page IconTo Next Page
To Previous Page IconTo Previous Page
To Previous Page IconTo Previous Page
Loading...
(
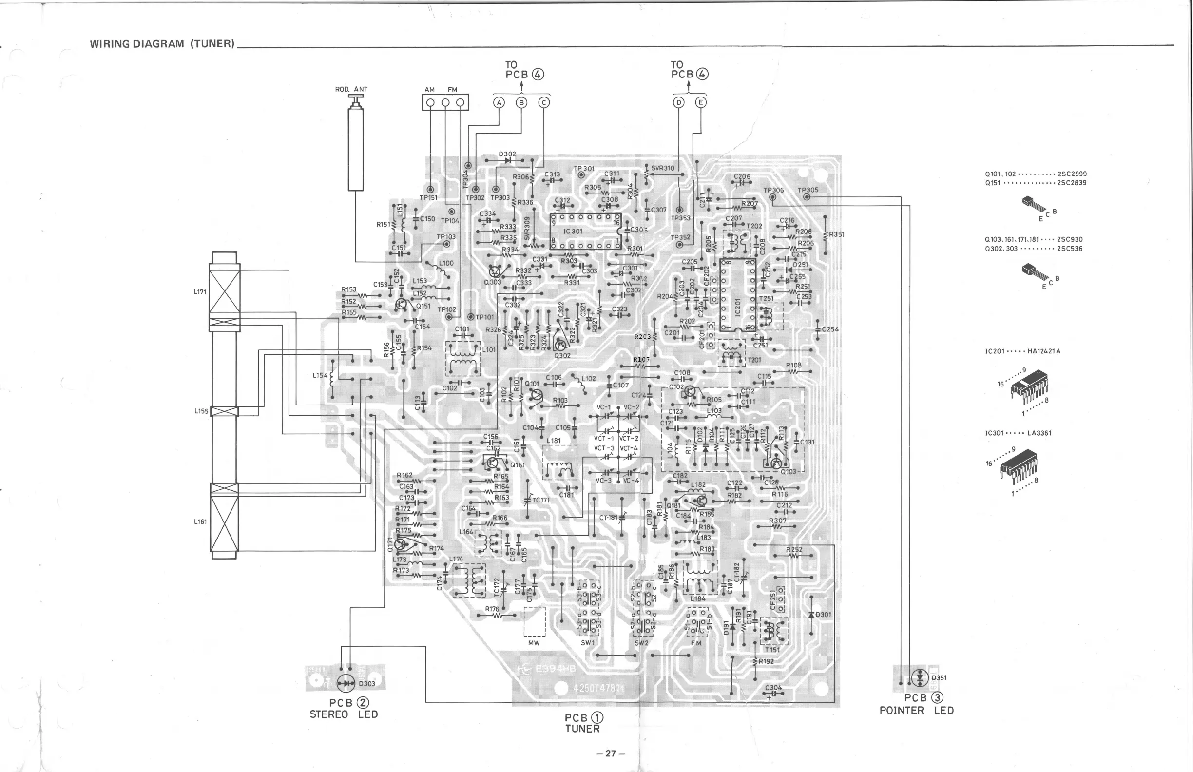
(TUNER)
WIRING DIAGRAM
.. 8 03,03
PCB®
STEREO LED
\\
\
-27-
([)0351
PCB@)
POINTER LED
••• ZSC2999
0101.102 ·.·.·.·.:, .. 2SC2839
Q151 ......
'CB
E
1
••• , 2SC930
Q103,161.17l.lB ... 2SC536
Q302. 303 •••••
HA12421 A
!C201 •••
15··~
~~~~;
IC301 ••••• LA3361
15···~
~~~~
1

Related product manuals