EasyManua.ls Logo

Sanyo C4 - Page 29

Sanyo C4
34 pages
Print Icon
To Next Page IconTo Next Page
To Next Page IconTo Next Page
To Previous Page IconTo Previous Page
To Previous Page IconTo Previous Page
Loading...
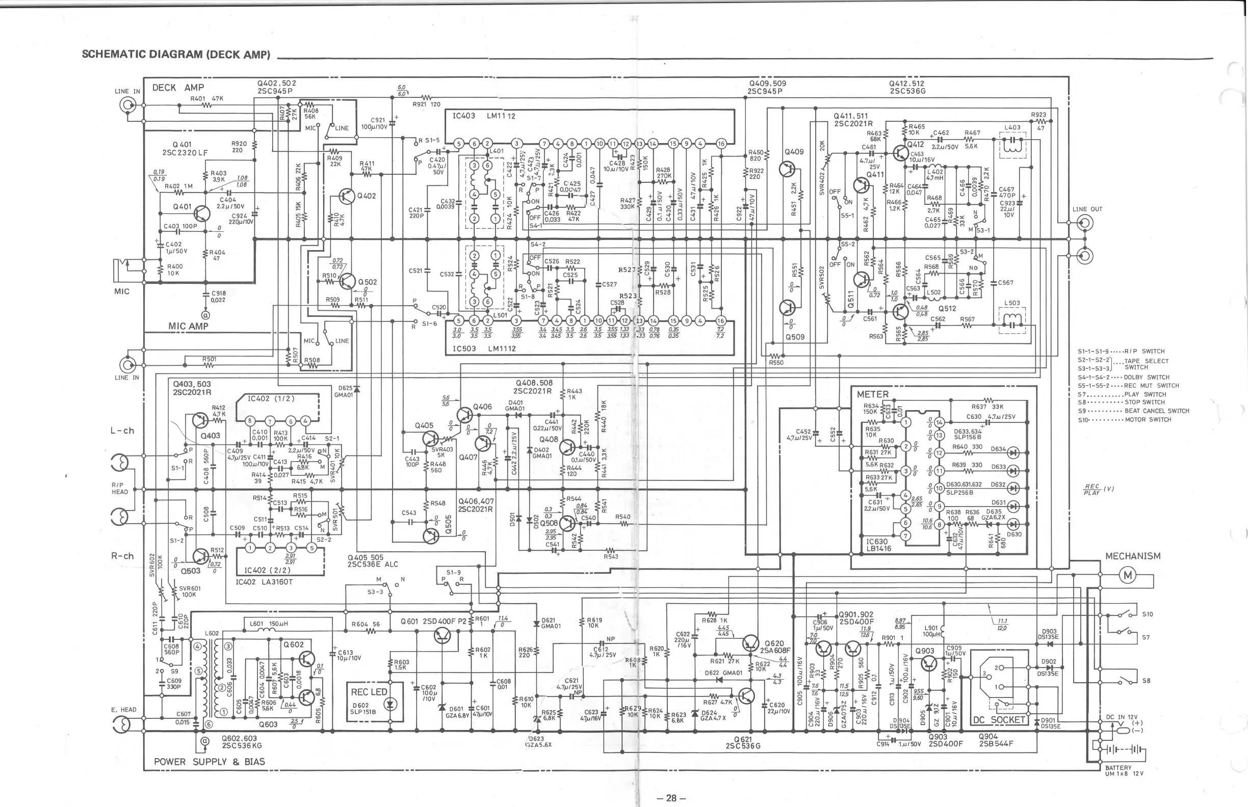
SCHEMATIC DIAGRAM (DECK AMP)
LINE IN
~
MIC
L-ch
RIP
HEAD
.--------------Q-4_0_2 ___ 5_0_2 _____ ----------------·--------------------------Q-409:-50_9 ___________ Q_4_12 ~51_2 _____________ _
DECK AMP 2SC945P ¥a, 25C945P 2SC536G
R401 47K
T
....
0 "'
... c:--
0:: N
R408
56K
1--------------<;>--1-,--
MIC
Q401
25C2320 LF
R920
220
,.,~
LINE
R409
22K
C921 +
100JJl10VH
R411
R921 120
-----------------------------..,
IC403 LM1112
........ + L401 :.'>
~
-.t .-- +
,__
"' 0
~~~o:
Q409
N
0,19 : R403
"\o.J9 3,9 K 1,08
N 47K
N
"'
...
bRSl-S ~6 2 3~ 7 4 8 1 10 11 12 13 14 15 9 4 16
P c42o r--~-- -----1 N+
~
f:1~ +
~
8. c
428
~
~
~
0.47µ/ : 3
6
: f!Z,3 j;:_1:1:~ u
O
c:-- 10J.J/10VO::
~
R428
.,_""""'lh----e---t-t---' SOV I I u ._f 51::'7 o,
~
270K 6 ~•
I I ,7
~
~
C'425 o,.. :::: ii
;J)-
;1
R922
220
0
...
\_!402 1M
~
0401te:,
~
C4S3, 100P
..
R400
10K
C404
2,2µ/50V +
0
0
R404
47
C924 : 1%
220µ/10V
C918
40,022
MIC AMP
i-------
s
·~
a:
0402
"'
~
"'
~~
0
:
...
a:
"'"'
Q403,503
2SC2021R
IC402 (1/2) '
D625"
GMAOl, ..
R412
2-1
N
~
l\f'--_ 0403
C409 + 2,2J.J/50V
~
"'
4.7µ/25V C411 1% R416 _ ) $? yr--+--t--
100.u/10V c
4
1
3
o
~
H 6,8K M ~./
R414 0,027 '----'\J""'"~ !_;
39. , R415 4,7K <11
R514
R.515
I I R p '.:; O,Ot,047 .,_ J > > ; .-p
I 4 5 I "' a: Ht--- N + o +
~
.., + ;':
C432 I Io ON •• j R427 "~ _:"-
C421 0.0039 1 I~, ~HH.....,Wv~ 330K g)
~
g
~
;;;:r:."'
220P : 2 (,): ~: • OFF
g~~~
~'i/ j ci j d j
~
L __ -1.J ii L..j.5::.4:..·,:_1 ______ +---~'--i-+---+-+---+-l-+---i!-+t-'
"'
a:
p-
"!
>
N
<J1
>
+ 0
~:
r:::::
.;:;
...
~
"'
...
a:
u
...
-
54-2~-------1------i ·+-+---+-+--+--11--t----+-t--
I
,-
2£-
5
6
Q406
~-
Q~~
t- g~I Kl
L-H- SVR403
~
C443 SK Q407
100P > R448 1~.
560 "'"'
-
I
'
"'
0
;;;
:
R527
~l~
~::
"'
"'
N
'
u
u
+
"'
+
+
-
a:
: :c521
I
"'
R528
N >
R523
~-
C528
,
+ -
101112(1~
J,i.. 3.55 1.33 L,ll. o.78 o.35 7.2
3.5 3.55 133 1,33 0.76 035 7.2
+
..
R443
1K
C441 '.:;
~
0.22.J.J/SOV
~
~
Q408
~
+
-~D402 I
~
'~GMA01 C440
0,1.u/SOV
R444
, 120
R544
..
,.
"'
~
0
:j
a:
j
"'
C
~
:,
...
a:
.;:;
N
"'
~
a:
a:
_Q__
>
0
<J1
I~
~
,.
R550
__g_
0
Q509
C452_,tz
4,7J.J/25V +
Q411- 511
R923
2SC2021R
1
R465
R463
~
10K C462
68K
+~
t;, Q412 2,i:;,15ov
C4~1
1
•• +
~
1~~~16V
4,7J.J/
L403
47
R467
r---7
A
t - •• - '
s:GK
IC:JI
I I
L_ ___ J
25V
~
;J)-411
+"'1L402
4,7mH
R464
C464
OFF
12K
0,047i
°'
"'
> R:-:,~8
ON R466
)
... _
1,2K
...
2,7K
"'
"'
55-1
...
N
~.~~~:
~a:
"'
...
a:
"'
-
"'
';::\
~:~8·
0
C467
... q
....
u
0 ...
470P
+
a:
C923 1%
~
22.u/
"'
10V
,.,
~
M
M 53-1
,,ss-2
53-2J~
-
NO
"'
0
C567
"'
...
"'
"' u
a:
L503
r---7
IQ
R567
I I
I ,
L ___ _J
N
"' Oi
"'
C565:
"'
...
"'
:~.
OFF
ON
a:
"'
RS68
"'
"'
~LLO::
"'
...
a:
"'i
"'
u
CS63
:: 0,72
,_1,Q_ -tu_ LS02
"'
1,0 ~-- --
\
0
~
+
/j; 0,48 Q512
_Q_f
~
0,48
C561
C562
0
N
.
"'
~+"
"'
R563
"'
a:
,---------------------
METER
N
~
tz
u +
.------------'Ill/Ir----,
R634 "'!+~ R637 33K
150K ~u
~
,--'LI_--.
o C630 ,':,7J.J /2SV
__,Rli\6/1,35 ... -4>-t 1 0 14Hll-----+-l_,.El-----e
10K ¾ 13 ~ti~s6i~
R
630
2 ¾ R640 330 D634r.":\
R63127K f ¾ 12}---"l'/,---"-'.;;...,'C/t-..+11
O R639 330 D633 /."':'\
0 11 }---'w'v----=..:c:..:.i\::.!lt-..+11
5,6K R632
3
%
R633 27K T
, _
0
o
10
D630.631,632 0632 r.":\
._5_,6_KD---<-4 2,65 SLP256B "-Y
I
I
I
LINE OUT
~
~
I
I
s1-1-s1-9 .... ,R/P SWITCH
52-1-52·2] .... TAPE SELECT
53-1-53-3 SWITCH
54-1-54-2 ... , DOLBY SWITCH
I 55-1-55-2 ·•··REC MUT SWITCH
1 57 ........... PLAY SWITCH
58 .. • • • • • • • STOP SWITCH
59 , • • • • • • • • BEAT CANCEL SWITCH
510· • • •••••••MOTOR SWITCH
r;>,,.-,~~ ....... ~'-i---,--o..-lRP ~UT
~
~) cs112~
C509 C510 +RS13 C514
u - -~
s1-2.,_+--...,-+--1~s1-+...--1· +" s2-2
C 513 -",Mr-+-~
H ~515
: R548
CS43
Q406,407
2SC2021R
-.;1---<,--%-
~
!~--¾
~
a:
R540
0.3 ~-
~
~
~\ _C~40
~Q5Q8j~l+<t-TU-.--W,
t~~
::;
.
C 631 + - O D631 r.":\
2
2
.ut
5
0V S
2065
O g R638 R636 D635 V::,V
6
10
_
6
8
1oq. 68 Gi~6,2X r.":\
10,6 > "-Y
+ N\2 D630
i~ra~ ::. o
-----<?
R-ch
E. HEAD
1
~
512
1 2 3 s
0 I ' 2.91 I
'------>.,:;.;,
Q405 505
25C536E ALC
C5_'!1
"+ R543 -
IC630
LB1416
Ut-- ID CD
----- ... a: "'
MECHANISM
~
0
~- '!iii_ 2,91
Q503 o IC402 (2/2) l
IC402 LA3160T
\ \ SVR601
M N
~----<J\ 0
------------0--~ ~------------<.>---------->-- It]\___,
__________ __r- .----+----1-:============================t===========~I--' ~-----0--1~ I
o--++-':..~~-=--=--=--=--=--=--=--=--=--=--=--=--=--=--=--=--=----==
0
c·=============~~===t====~i~i===~~===================!-=.-=.-=.-=.-=.-=.-=.-=.-=.-=.t-=.-=.+-=-~tH-,
I\.
100K
a.
53-3 >
0
~
_oa.
,-------------------0-----0------------
LJ
W2
R604 56
0601
25D400F P2
;R~Ol
U) UN
1 U L602
I ... n"--+--O--,, ,-!-..----..--.----,
@ I';,- G) Q6QQ~ ft-
p l" C613
1J .., ~----+-t--+-.f-1" ) '"10µ/10V
2',' 59 : @ I" g i ~- a,\t::! I?
.l. C609 I ~.
~
:
~
:::;: §:::~ -
,,. 330P
I
l"@g o "' o _,
00
1--0---_. u
~
er ,~ )IJ)>
:~R603
1.5K
---->--
REC LED
D602 (,~
SLP 1518 l,::t:J
~&
+
ir:C602
100µ
R602
1 K
/lOV +
11.4
ro-
C608
0.0,
:
R626
220
R610
10K
, r D621
GMAOl
I
R625
C621
4.7µ/25V
_NP
N
I ,------+--+--+-+---+-,-------..---------t--r-;-r-r-r.-------,
,----+-----'-;\-----+-~ r--+-+ ___ HJ-_-<r., j 510
R619
10K
_ NP
,,
C612 R620
4,7µ I 25V 1K
., "Rf~~;~
1
I
R624
R628 1 K
4.45
4.45\ -
1
f\i I 0620
-0:: :, 25A608F
.,_ _ _.R.,62~1111.211r7-K-•~
D622 GMAOl : lOK
... g
J rv:>
R627 4.71( }~ ; +C
620
~
L901 ,J '----ff.f D903 I I - .,,.
R901 1 lOOµHI DS135E
I
L....<)"'I 57
C909
> Q9Q_3 1).i/SOV
~
:
~
~
~o ~0--+---o--•D-:1 .. 9:i~"'s2_E,.
~
+~ + ?'~~PV--t-V
~:izN:;:9.55 0-- l - 10--
~
~
19.61) +
~
u :~~:~; L~-~n-~~-- ..
Ln 0\ .. -
,-------
.......... --u----oo~ 58
~:j:~ R606 /o.44_'7
Ci)
ou"' oo# 5,6K Ln
C607 I" 1 O o
~-o--~~J ---=---...-.-~~"'
r ~) 0.0,5 :;: @ Q603 .1fl a:
~----:>- ..
~
~
D601 P: C601
GZA6,8Y 47µ/lOV
: i' 6,ai<•
C623 __ ll:+
47µ/16V
~1tf<:
10K :
I
D 904 g N g
~
DC SOCKET D901 DC IN
12
v
D5135E D Cl u~ ---- '~D513S~E-----t--•o--~.(Jt;
R623 ; r' D624
~
22µ/lOV
6
,SK po, GZA4,7 X
Q602
2SC5
'D623
l,ZAS,6X
u
l_:r [ ~•lt---1111
POWER SUPPLY & BIAS :l BATTERY
0621
25C536G
+ Q903
C914 •• 1.ul50V 25D400F
Q904
25B544F
--------------------------------------------,-•-- -----------~.•----------------------------------------------------_. UM 1 x8 12V
-28-

Related product manuals