EasyManua.ls Logo

Sanyo PLC-XT35L

Sanyo PLC-XT35L
156 pages
To Next Page IconTo Next Page
To Next Page IconTo Next Page
To Previous Page IconTo Previous Page
To Previous Page IconTo Previous Page
Loading...
-102-
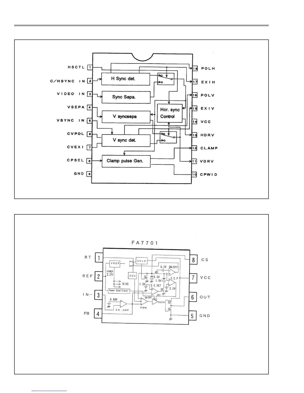
IC Block Diagrams
BA7078 <Sync Seperator, IC5321>
FA7701V <Switching Controller, IC5641>

Table of Contents

Other manuals for Sanyo PLC-XT35L

Related product manuals