EasyManua.ls Logo

Sanyo PLC-XT35L

Sanyo PLC-XT35L
156 pages
To Next Page IconTo Next Page
To Next Page IconTo Next Page
To Previous Page IconTo Previous Page
To Previous Page IconTo Previous Page
Loading...
-84-
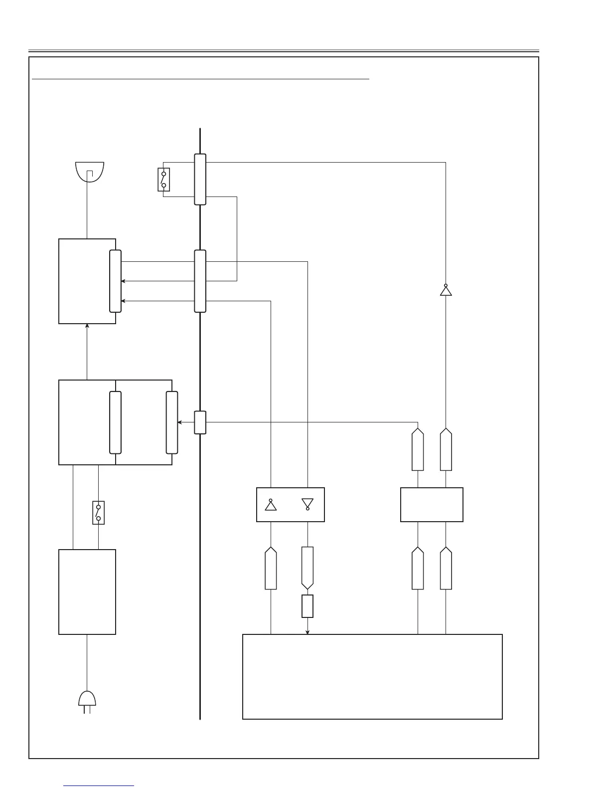
Chassis Description
IC301
SCAN
CONVERTER
&
SYSTEM
CONTROL
LAMP
LP901
AC
SW901
THERMOSTAT
A904
LINE
FILTER
A902
POWER(AC)
A903
POWER(DC)
A901
LAMP
BALLAST
SW902
LAMP COVER-SW
Q4811
CHO_RXD
BALAST_AC_EX
LAMP_DC_ON_EX
BALAST_AC
LAMP_DC_ON
CHO_TXD
IC4801
INVERTER
Q331
1 4 295
26
363
362
33 5 4 1 1 3
K8A K8N K8P
118
IC861
BUFFER
3 17
164
POWER-ON:H
POWER-ON:H
MAIN
Lamp control stage

Table of Contents

Other manuals for Sanyo PLC-XT35L

Related product manuals