EasyManua.ls Logo

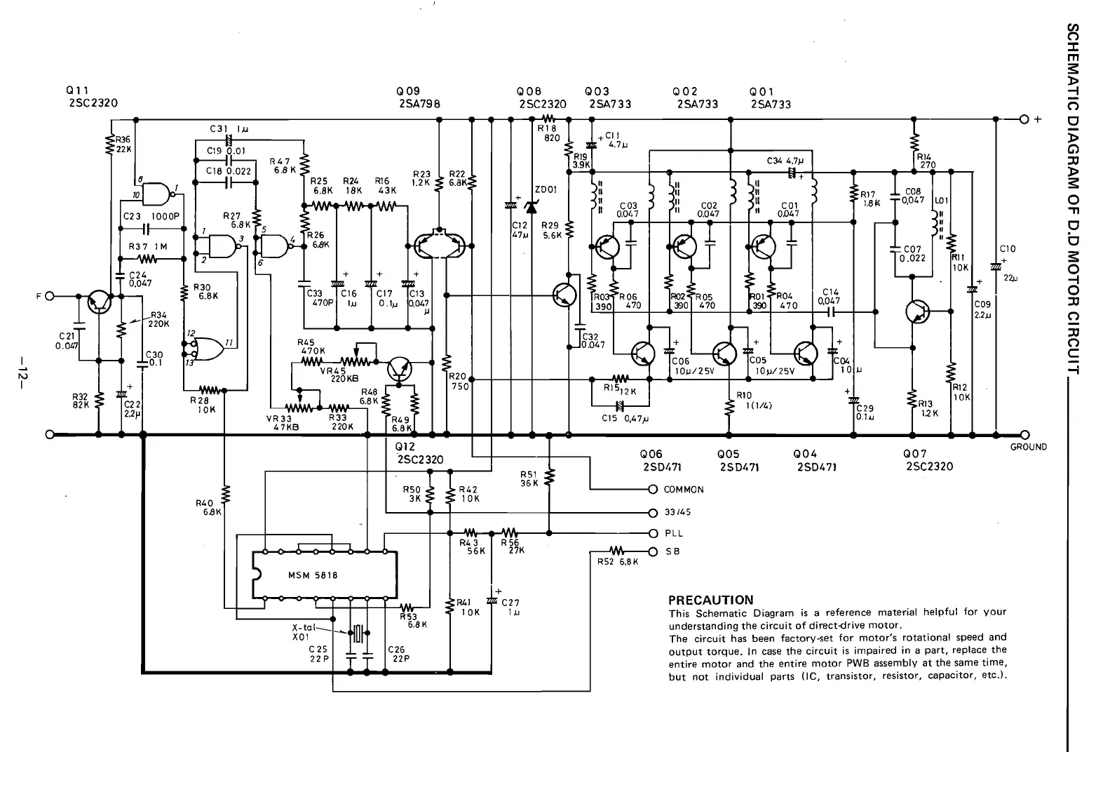
Sanyo PLUS Q50 - Direct Drive Motor Circuit Schematic; Motor Circuit Component Details

Sanyo PLUS Q50
19 pages
To Next Page IconTo Next Page
To Next Page IconTo Next Page
To Previous Page IconTo Previous Page
To Previous Page IconTo Previous Page
Loading...
R26
6JK

SCHEMATIC DIAGRAM OF D.D MOTOR CIRCUIT

TO.OA?
GROUND

R51 i
36K <
o
COMMON


C07
0.022

10U /2 5V 10p /25 V I
------ i i-----1,-------------------------- , i----- --------------- 4.
O 33/4 5
-------------------O PLL
---- W -------- o SB
R52 6.8 K
PRECAUTION
    


   

   

Related product manuals