EasyManua.ls Logo

SBC PCD2.M150 - Page 106

Default Icon
288 pages
Print Icon
To Next Page IconTo Next Page
To Next Page IconTo Next Page
To Previous Page IconTo Previous Page
To Previous Page IconTo Previous Page
Loading...
Saia-Burgess Controls AG
Manual Manual PCD 1 / PCD 2 Series │ Document 26 / 737 EN22 │ 2013-11-26
4
Communication interfaces
4-18
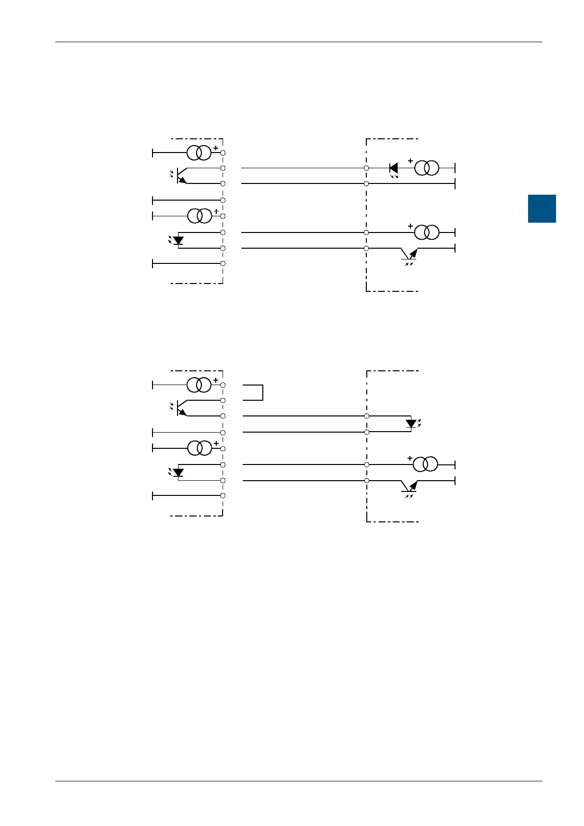
Serial interfaces on socket A
Saia PCD
®
passive
Transmitter
Receiver
Receiver
Transmitter
1
3
6
8
2
4
7
9
Pin-Nr.
PCD7.F130
(passiv)
Cable
Peripherie
(activ)
Saia PCD
®
and peripheral transmitters active
Transmitter
Receiver
Transmitter
1
3
6
8
2
4
7
9
Pin-Nr.
PCD7.F130
(activ)
Cable
Peripherie
(activ)
Receiver

Table of Contents

Related product manuals